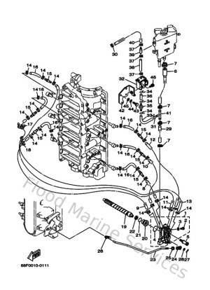
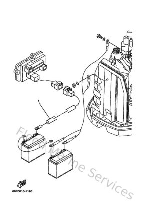
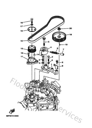
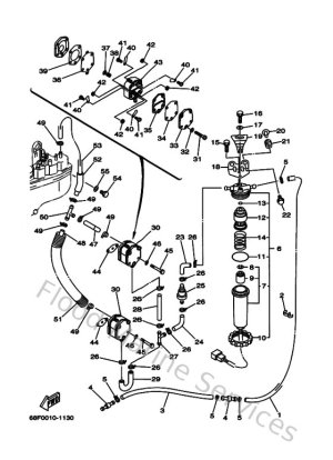
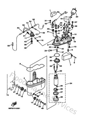
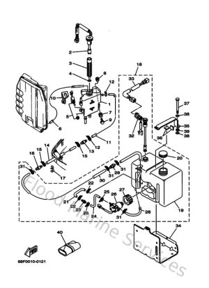
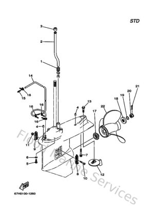
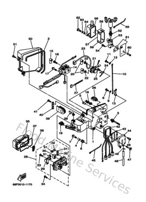
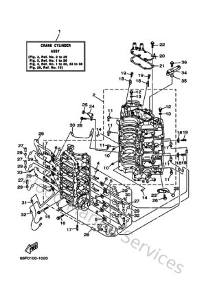
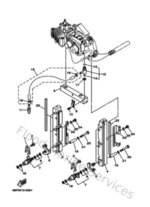
Diagram Sections: Z150PETOL (2001)

Download as PDF