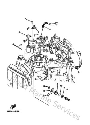
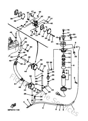
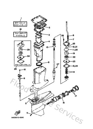
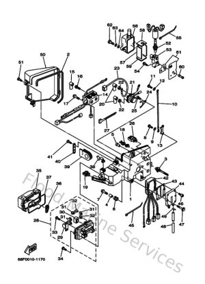
Diagram Sections: Z150Q (2001)

Download as PDF