Diagram Sections: Z175GETOL (2001)
Download as PDF-
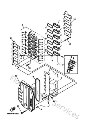
Bottom Cowling
-
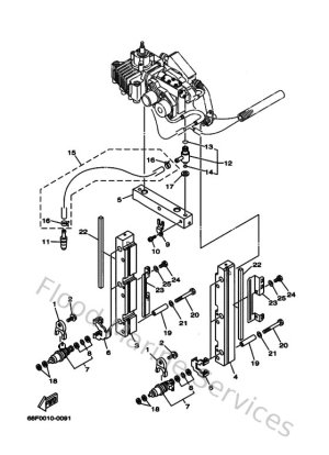
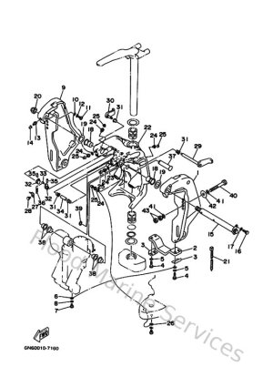
Bracket 1
-
Bracket 2
-
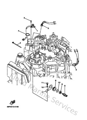
Control
-
Crankshaft & Piston
-
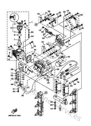
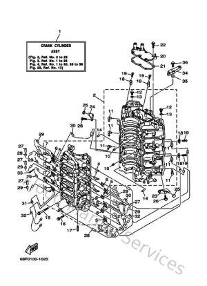
Cylinder & Crankcase
-
Cylinder & Crankcase 2
-
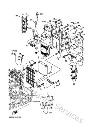
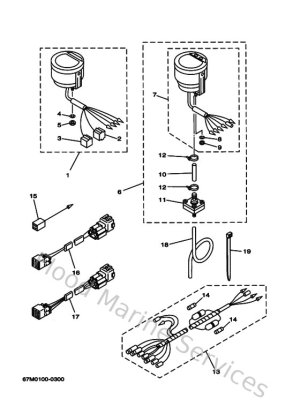
Electrical 1
-
Electrical 2
-
Electrical 3
-
Electrical 4
-
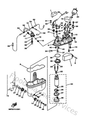
Fuel
-
Fuel 2
-
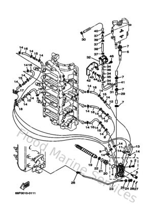
Fuel Injection Nozzle
-
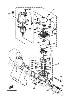
Fuel Injection Pump
-
Fuel Pump Drive Gear
-
Generator
-
Intake
-
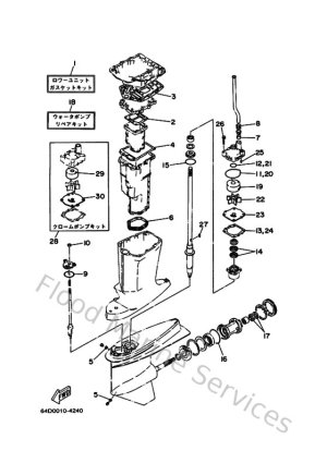
Lower Casing & Drive 1
-
Lower Casing & Drive 2
-
Meter
-
Oil Pump
-
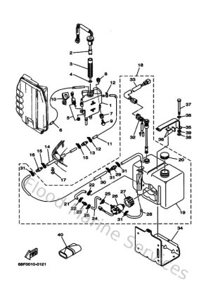
Oil Tank
-
Optional Parts 1
-
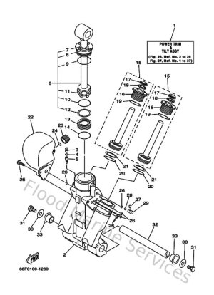
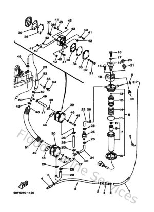
Power Trim & Tilt Assy 1
-
Power Trim & Tilt Assy 2
-
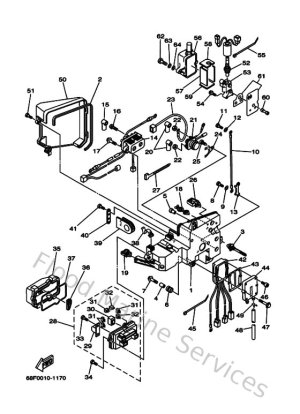
Remote Control Assy 1
-
Remote Control Box
-
Repair Kit 1
-
Repair Kit 2
-
Starting Motor
-
Steering Guide
-
Steering Guide Attachment 1
-
Top Cowling
-
Upper Casing
-
Vapor Separator 1
-
Vapor Separator 2