Yamaha Outboard Parts - Bracket 1 - 9.9DMH (1993) | Flood Marine
New Search
Parts
New Outboards
Home
9.9DMH (1993)
Bracket 1
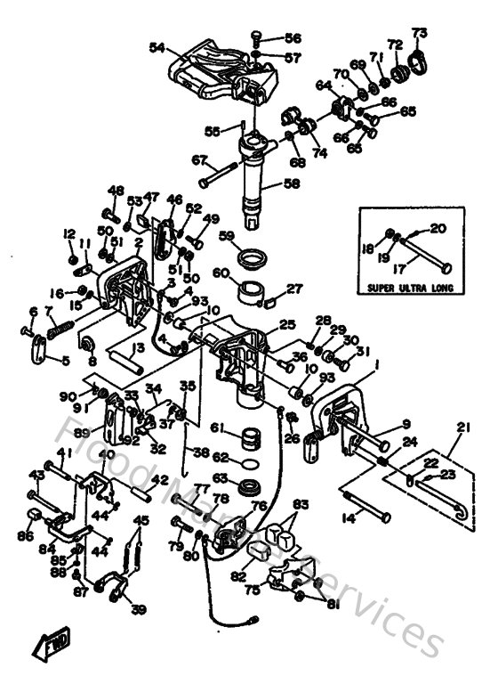
Diagram: Bracket 1
Parts List
Reference
Description
Price
3
6E5821480000
Wire, lead 5
Loading…
↗
4
978950600800
Screw, pan head(6a3)
Loading…
↗
5
6164311800EJ
Handle, transom clamp
Loading…
↗
6
9024304M0000
Pin(6a9)
Loading…
↗
7
6E7431160000
Screw, transom clamp
Loading…
↗
8
648431140100
Pad, transom clamp
Loading…
↗
9
9010110M0100
Bolt(6e7)
Loading…
↗
10
9038610M9100
Bush(6e7)
Loading…
↗
11
6E7431130100
Plate, clamp bracket
Loading…
↗
12
957801030000
Nut, nylon (6e5)
Loading…
↗
13
9038706M1300
Collar(6h6)
Loading…
↗
14
9010106M2900
Bolt, hexagon (682)
Loading…
↗
15
929900660000
Washer, plain (646)
Loading…
↗
16
953800670000
Nut
Loading…
↗
17
9020108M0100
Washer, plate(6l2)
Loading…
↗
18
9017108M0000
Nut, castle (682)
Loading…
↗
19
929900860000
Washer, plain (663)
Loading…
↗
20
914902001500
Pin, cotter (648)
Loading…
↗
21
689431600000
Tilt rod assembly
Loading…
↗
22
689431650000
Plate, tilt lock
Loading…
↗
23
916903000800
Pin. spring(656)
Loading…
↗
24
9050210M0700
Spring, conical(6k3)
Loading…
↗
26
9370006M0300
Nipple, grease(6a1)
Loading…
↗
27
648425280000
Plate, friction
Loading…
↗
28
9050118M0000
Spring, compression (676)
Loading…
↗
30
676433730000
Damper, seal
Loading…
↗
31
970950802500
Bolt (62g)
Loading…
↗
32
682436310000
Lever, Tilt
Loading…
↗
33
9050812M0300
Spring, Torsion
Loading…
↗
34
682436160000
Rod, tilt lock 1
Loading…
↗
35
682436410100
Lever, tilt
Loading…
↗
36
9024906M2300
Pin(6e7)
Loading…
↗
37
990800560000
Circlip(22k)
Loading…
↗
38
682436170000
Rod, tilt lock 2
Loading…
↗
39
682436140000
Plate, tilt lock 1
Loading…
↗
40
682436150200
Plate, tilt lock
Loading…
↗
41
682436110100
Shaft, tilt lock
Loading…
↗
42
9038706M2000
Collar(6m7)
Loading…
↗
43
682436590000
Shaft, reverse lock
Loading…
↗
45
9050626M0700
Spring, tension (683)
Loading…
↗
46
6E7431810100
Lever, tilt stop 1
Loading…
↗
47
682433180100
Cover
Loading…
↗
48
9010906M0300
Bolt (682)
Loading…
↗
49
9010906M0500
Bolt (682)
Loading…
↗
52
9020610M1500
Washer, wave (6e7)
Loading…
↗
53
682433390100
Washer
Loading…
↗
55
936061201900
Pin, dowel (614)
Loading…
↗
56
973950602500
Bolt
Loading…
↗
58
682425210000
Shaft, steering pivot
Loading…
↗
59
9020952M0100
Washer (682)
Loading…
↗
60
682425370000
Bushing, pivot shaft
Loading…
↗
61
9038640M0900
Bush (682)
Loading…
↗
62
9321040M1000
O-ring (682)
Loading…
↗
63
9038640M0800
Bush (682)
Loading…
↗
64
6824451431CA
Mount damper, upper side
Loading…
↗
67
9010108M3000
Bolt (682)
Loading…
↗
68
9020108M1200
Washer plate (682)
Loading…
↗
69
9020108M1300
Washer plate (682)
Loading…
↗
70
9020213M0200
Washer plate (682)
Loading…
↗
71
957800830000
Nut, nylon (6j8)
Loading…
↗
72
682445220000
Seal
Loading…
↗
73
9046042M0100
Clamp, Hose
Loading…
↗
74
682445210100
Seal
Loading…
↗
77
973950808500
Bolt, with washer
Loading…
↗
79
973950805500
Bolt, hexagon
Loading…
↗
81
953800870000
Nut(661)
Loading…
↗
82
682445570000
Mount damper, lower front
Loading…
↗
83
682445550000
Mount damper, lower side
Loading…
↗
85
682436430000
Spring
Loading…
↗
87
970800600800
Bolt (fj1)
Loading…
↗
91
903861002500
Bushing (658)
Loading…
↗
92
903861004500
Bush (663)
Loading…
↗
93
9020110M0300
Washer, Plate
Loading…
↗