Yamaha Outboard Parts - Bracket 1 - 90AETOL (1991) | Flood Marine

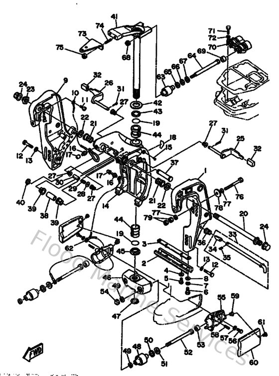
Diagram: Bracket 1

Diagram

Parts List

Reference
Description
Price