Yamaha Outboard Parts - Bracket 2 - 20DEM (1994) | Flood Marine
New Search
Parts
New Outboards
Home
20DEM (1994)
Bracket 2
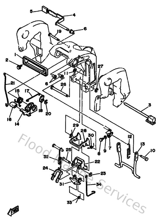
Diagram: Bracket 2
Parts List
Reference
Description
Price
2
975900651000
Bolt, hexagon w/w deep recess
Loading…
↗
3
6L2431600000
Tilt rod assembly
Loading…
↗
4
6L2436300100
Tilt lever assembly
Loading…
↗
5
682433180100
Cover
Loading…
↗
6
903860803200
Bushing (650)
Loading…
↗
7
6L2436820100
Lever, shallow water drive 2
Loading…
↗
8
970950501000
Bolt (682)
Loading…
↗
9
929900560000
Washer, plain (646)
Loading…
↗
10
6L2431910100
Shaft, stopper
Loading…
↗
11
990800560000
Circlip(22k)
Loading…
↗
12
9050620M2700
Spring, tension(6l2)
Loading…
↗
13
6L2433500200
Receiver assembly
Loading…
↗
14
6L2436310000
Lever, tilt
Loading…
↗
15
6L2431880000
Spring
Loading…
↗
16
6L2436331000
Cover, tilt lever
Loading…
↗
17
6L2436110000
Shaft, tilt lock
Loading…
↗
18
6L2436410000
Lever, tilt
Loading…
↗
19
6L2436590000
Shaft, reverse lock
Loading…
↗
21
6L2436170000
Rod, tilt lock
Loading…
↗
22
6L2436130000
Arm, tilt lock
Loading…
↗
24
6L2436240000
Plate, tilt rock
Loading…
↗
25
6L2433360000
Pin
Loading…
↗
26
6J8436110100
Shaft, tilt lock
Loading…
↗
28
6L2436140000
Plate, tilt lock
Loading…
↗
29
9050812M2800
Spring, torsion(6l2)
Loading…
↗
30
9050812M2900
Spring, torsion(6l2)
Loading…
↗
31
6L2436150000
Plate, tilt lock
Loading…
↗
32
9050623M1100
Spring, tension(6l2)
Loading…
↗
33
6L2436570000
Spring, lock
Loading…
↗
34
6L2436760000
Hook
Loading…
↗