Yamaha Outboard Parts - Bracket 2 - F40AET (2001) | Flood Marine
New Search
Parts
New Outboards
Home
F40AET (2001)
Bracket 2
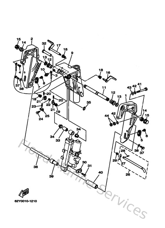
Diagram: Bracket 2
Parts List
Reference
Description
Price
1
62Y43111004D
Bracket, clamp
Loading…
↗
2
62Y43112004D
Bracket, clamp
Loading…
↗
3
63D821480000
Wire, lead 5
Loading…
↗
4
978850600800
Screw, pan head(6a3)
Loading…
↗
5
65W452510000
Anode
Loading…
↗
6
901010602000
Bolt
Loading…
↗
9
63D43311138D
Bracket, swivel 1
Loading…
↗
10
9370006M0300
Nipple, grease(6a1)
Loading…
↗
11
63D431310100
Bolt, clamp bracket
Loading…
↗
12
9038622M1500
Bushing (688)
Loading…
↗
13
9020122M0300
Washer, plate(64j)
Loading…
↗
14
9018522M1100
Nut, self-locking
Loading…
↗
15
6G5431450100
Cap, clamp bracket
Loading…
↗
16
6H5431810300
Lever, tilt stop 1
Loading…
↗
17
6H5431850300
Lever, tilt stop 2
Loading…
↗
18
9038610M1600
Bushing (688)
Loading…
↗
19
903861002500
Bushing (658)
Loading…
↗
20
916903002000
Pin, spring (6h4)
Loading…
↗
21
6G5431480000
Collar, distance
Loading…
↗
22
9024906M1900
Pin(6e5)
Loading…
↗
23
9050614M2400
Spring, tension(6e5)
Loading…
↗
24
970950601000
Bolt
Loading…
↗
25
6G5431440000
Hook, spring
Loading…
↗
26
688431600100
Tilt rod ass'y
Loading…
↗
27
688431650000
Stopper, tilt rod
Loading…
↗
28
916903001200
Pin, spring
Loading…
↗
29
9050216M0200
Spring, conical (688)
Loading…
↗
32
6E5431260200
Pin, upper shock mount
Loading…
↗
33
9038618M9200
Bush(62x)
Loading…
↗
34
9038618M3500
Bush (688)
Loading…
↗
35
9341018M0200
Circlip (6f2)
Loading…
↗
36
62Y438180000
Pin, lower shock mount
Loading…
↗
37
970800801600
Bolt
Loading…
↗
38
9020108M0400
Washer, plate(6r8)
Loading…
↗
39
903871800200
Collar
Loading…
↗
40
903871800300
Collar
Loading…
↗
41
9010112M6500
Bolt
Loading…
↗
42
929951220000
Ybs66-12 washer,plain
Loading…
↗
43
902011242600
Washe, plate(663)
Loading…
↗
44
953801260000
Nut (707)
Loading…
↗