Yamaha Outboard Parts - Bracket 2 - F9.9BMH (1991) | Flood Marine
New Search
Parts
New Outboards
Home
F9.9BMH (1991)
Bracket 2
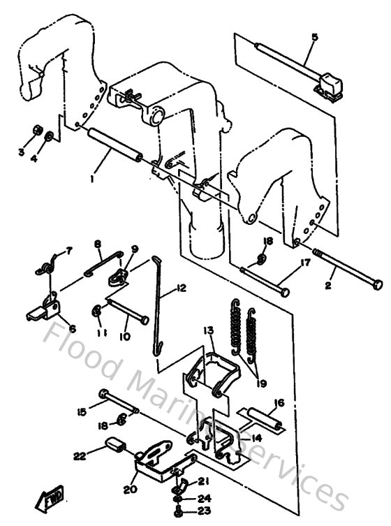
Diagram: Bracket 2
Parts List
Reference
Description
Price
1
9038706M0900
Collar(6g8)
Loading…
↗
2
973950613500
Bolt(6g1)
Loading…
↗
3
953800670000
Nut
Loading…
↗
4
929900660000
Washer, plain (646)
Loading…
↗
5
6G8431600100
Tilt rod assembly
Loading…
↗
6
6G8436310100
Lever, Tilt
Loading…
↗
8
682436160000
Rod, tilt lock 1
Loading…
↗
10
9024906M2000
Pin(6G8)
Loading…
↗
11
990800560000
Circlip(22k)
Loading…
↗
12
6G8436170000
Rod, tilt lock 1
Loading…
↗
13
682436140000
Plate, tilt lock 1
Loading…
↗
14
682436150100
Plate, tilt lock
Loading…
↗
15
682436110100
Shaft, tilt lock
Loading…
↗
16
9038706M2000
Collar(6m7)
Loading…
↗
19
9050626M0700
Spring, tension (683)
Loading…
↗
20
6G9436810000
Lever Shallow Water Drive
Loading…
↗
21
6G9436430000
Spring
Loading…
↗
22
682433180100
Cover
Loading…
↗
23
973950600800
Bolt (fj1)
Loading…
↗