Yamaha Outboard Parts - Carburetor - F9.9BMH (1991) | Flood Marine

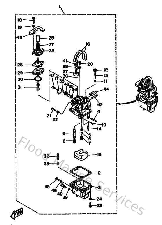
Diagram: Carburetor

Diagram

Parts List

Reference
Description
Price