Yamaha Outboard Parts - Electrical - 90AETOL (1991) | Flood Marine
New Search
Parts
New Outboards
Home
90AETOL (1991)
Electrical
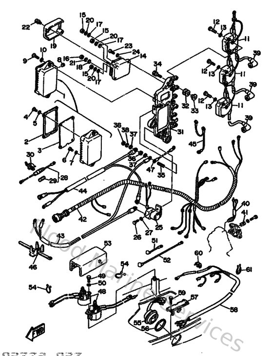
Diagram: Electrical
Parts List
Reference
Description
Price
1
688855401600
C.d.i. Unit assembly
Loading…
↗
2
688855371200
Cover
Loading…
↗
3
6E5855471000
Damper
Loading…
↗
4
985800501000
Screw, pan head(62x)
Loading…
↗
5
929900560000
Washer, plain (646)
Loading…
↗
6
985800400800
Screw, pan head (713)
Loading…
↗
7
929900420000
Ybs66-4 washer, plain
Loading…
↗
8
663819220000
Grommet
Loading…
↗
9
9010106M2700
Bolt
Loading…
↗
10
929900620000
Ybs66-6 washer, plain
Loading…
↗
11
688855701000
Ignition coil assembly
Loading…
↗
12
973130603000
Bolt
Loading…
↗
13
929900660000
Washer, plain (646)
Loading…
↗
14
6G581960A000
Rectifier & regulator assembly
Loading…
↗
15
953800560000
Nut, hexagon (663)
Loading…
↗
16
953800660000
Nut(661)
Loading…
↗
17
929900520000
Ybs66-5 washer, plain
Loading…
↗
19
688819610100
Cover
Loading…
↗
20
929900510000
Ybs67-5 washer, spring
Loading…
↗
21
929900610000
Washer(6a1)
Loading…
↗
23
970800602000
Bolt(7u8)
Loading…
↗
25
688819401100
Starter relay ass'y
Loading…
↗
26
973130601600
Bolt, hexagon deep recess
Loading…
↗
28
688821500100
Fuse holder assembly
Loading…
↗
29
682821510000
Fuse
Loading…
↗
30
6G5821520000
Holder, fuse
Loading…
↗
32
9048009M1200
Grommet (6a0)
Loading…
↗
33
9038706M0300
Collar (676)
Loading…
↗
34
9011906M2600
Bolt, with washer
Loading…
↗
35
9011606M2200
Bolt, stud (6h1)
Loading…
↗
36
953800670000
Nut
Loading…
↗
38
929950610000
Washer(6a1)
Loading…
↗
39
6E3823702000
Plug cap assembly
Loading…
↗
40
688825601000
Thermo switch assembly
Loading…
↗
41
688825880100
Plate
Loading…
↗
42
688825901200
Wire Harness Assembly (Cv85Et)
Loading…
↗
43
688821050200
Battery cable
Loading…
↗
44
688825310100
Wire, Lead
Loading…
↗
45
697825190000
Wire,earth lead
Loading…
↗
46
688825940000
Clamp
Loading…
↗
48
688819501000
Relay assembly
Loading…
↗
49
973130602000
Bolt(7u8)
Loading…
↗
51
688819490000
Wire, Lead
Loading…
↗
52
688855150000
Lead Wire Assembly
Loading…
↗
54
904641603900
Clamp (3y2)
Loading…
↗
55
6H1825630100
Trim & tilt switch assembly
Loading…
↗
56
6E5825870000
Gasket
Loading…
↗
57
6H1836140000
Braket
Loading…
↗
58
6H1825530000
Extension Wire Lead
Loading…
↗
60
9046407M2000
Clamp(6h0)
Loading…
↗
61
9046418M1400
Clamp(6h1)
Loading…
↗