Yamaha Outboard Parts - Fuel - 60FETO (1991) | Flood Marine

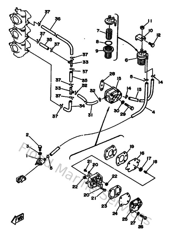
Diagram: Fuel

Diagram