Yamaha Outboard Parts - Fuel - F115AET (2000) | Flood Marine
New Search
Parts
New Outboards
Home
F115AET (2000)
Fuel
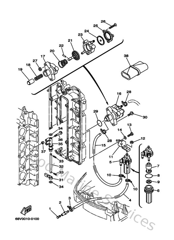
Diagram: Fuel
Parts List
Reference
Description
Price
1
689855470000
Damper
Loading…
↗
2
6R3243770000
Pipe, joint 3
Loading…
↗
3
9046511M1000
Clamp
Loading…
↗
4
9044513M2700
Hose (l950)
Loading…
↗
5
6D8245600800
Filter assembly
Loading…
↗
6
68V245210000
Cup, filter
Loading…
↗
7
68V245630000
Element, filter
Loading…
↗
8
932103273800
O-ring(1wg)
Loading…
↗
9
68V244690100
Float, water level
Loading…
↗
11
68V245660000
Bracket Filter
Loading…
↗
12
988800810000
Nut, hex.
Loading…
↗
13
970950601600
Bolt, hexagon deep recess
Loading…
↗
14
929950660000
Washer, plain (646)
Loading…
↗
15
9044513M1100
Pipe, fuel 1
Loading…
↗
16
68V244100000
Fuel pump assembly
Loading…
↗
17
68V244120000
Body 1
Loading…
↗
18
68V244540000
Spring
Loading…
↗
19
68V131310000
Plunger
Loading…
↗
20
68V244230000
Spring, diaphragm
Loading…
↗
21
68V244110000
Diaphragm
Loading…
↗
22
68V243740000
Pin
Loading…
↗
23
68V244130000
Body 2
Loading…
↗
24
68V244710000
Diaphragm
Loading…
↗
25
68V244140000
Body 3
Loading…
↗
26
68V244440000
Screw
Loading…
↗
27
68V241490000
Nut
Loading…
↗
28
904651009800
Clamp
Loading…
↗
29
932103068200
O-ring (371)
Loading…
↗
30
9011906M8300
Bolt, with washer
Loading…
↗
31
67F245750000
Lever, fuel change
Loading…
↗
32
68V244950000
Shaft
Loading…
↗
33
916092501400
Pin, Spring
Loading…
↗
34
9020108M1200
Washer plate (682)
Loading…
↗
35
67F244910000
Bracket, fuel pump
Loading…
↗
36
901190723500
Bolt, with washer
Loading…
↗
37
918090800600
Pin, dowel
Loading…
↗
38
67F281000000
Tool kit
Loading…
↗