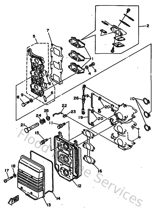
Yamaha Outboard Parts - Intake - 25JETO (1998) | Flood Marine

Diagram: Intake

Diagram