Yamaha Outboard Parts - Intake - F9.9BMH (1991) | Flood Marine
New Search
Parts
New Outboards
Home
F9.9BMH (1991)
Intake
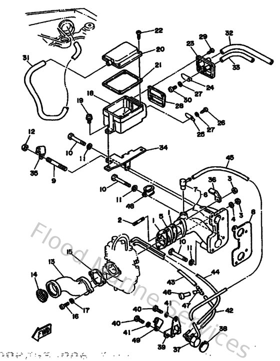
Diagram: Intake
Parts List
Reference
Description
Price
1
6G8136460000
Gasket,intake manifold 2
Loading…
↗
2
9011606M2600
Bolt, Stud
Loading…
↗
3
953800670000
Nut
Loading…
↗
4
929900660000
Washer, plain (646)
Loading…
↗
5
6G8136470000
Manifold, intake 3
Loading…
↗
8
6G8136450000
Gasket, intake manifold
Loading…
↗
9
9011606M1500
Bolt, stud (6e9)
Loading…
↗
10
973950604500
Bolt, hexagon
Loading…
↗
12
9538R0670000
Nut
Loading…
↗
13
6G8144790194
Funnel
Loading…
↗
14
6G8144780000
Louver
Loading…
↗
15
6G8141980000
Gasket
Loading…
↗
16
978850501600
Screw, pan head(6b0)
Loading…
↗
17
929900560000
Washer, plain (646)
Loading…
↗
18
6G8153580000
Separator, Oil
Loading…
↗
19
9015906M0500
Screw, With Washer
Loading…
↗
20
6G8153680094
Separator, Oil
Loading…
↗
21
6G8153690000
Gasket
Loading…
↗
22
977804011200
Screw, pan head tapping
Loading…
↗
24
6G8153460000
Breather 1
Loading…
↗
25
6G8153470000
Breather 2
Loading…
↗
27
929900420000
Ybs66-4 washer, plain
Loading…
↗
28
6G8153740000
Gasket, breather
Loading…
↗
30
985800401000
Screw, pan head (e56)
Loading…
↗
31
6G8153930000
Pipe, Breather 2
Loading…
↗
32
9044511M5200
Hose (l198)
Loading…
↗
33
904450906500
Hose (l1500)
Loading…
↗
34
6G8153760100
Holder, guide
Loading…
↗
35
904650802800
Clamp (1e6)
Loading…
↗
36
9046508M2300
Clamp (6h3)
Loading…
↗
37
6G8143990000
Valve, Bimetal
Loading…
↗
38
6G8113260000
Seat
Loading…
↗
39
6G8113951000
Holder
Loading…
↗
40
970130601200
Bolt(gh1)
Loading…
↗
47
6E0243780000
Pipe, joint
Loading…
↗
48
9046106M0100
Clamp (6a4)
Loading…
↗