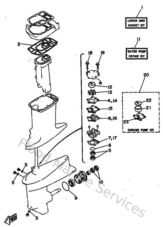
Yamaha Outboard Parts - Kits De Reparation 2 - 25JETO (1997) | Flood Marine

Diagram: Kits De Reparation 2

Diagram