Yamaha Outboard Parts - Kits De Reparation 2 - 25JETO (1998) | Flood Marine
New Search
Parts
New Outboards
Home
25JETO (1998)
Kits De Reparation 2
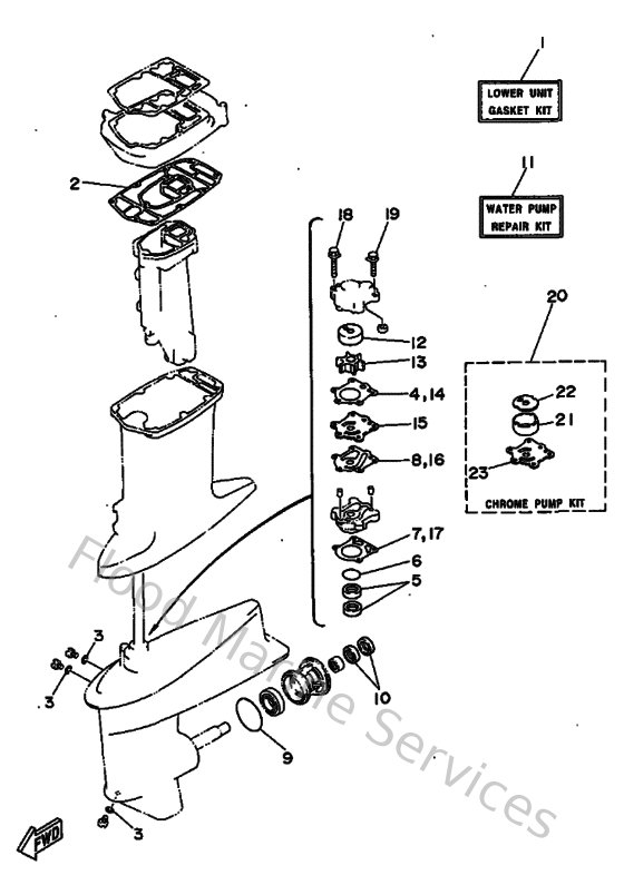
Diagram: Kits De Reparation 2
Parts List
Reference
Description
Price
1
6J8W0001C200
Gasket kit
Loading…
↗
2
6J845114A100
Gasket, upper casing
Loading…
↗
3
904300802000
Gasket
Loading…
↗
4
66344315A000
Gasket,water pump 1
Loading…
↗
5
931012307000
Oil seal (663)
Loading…
↗
6
932104104200
O-ring (132)
Loading…
↗
7
66344316A000
Gasket,water pump 2
Loading…
↗
8
66344324A000
Gasket,cartridge outer plate
Loading…
↗
9
9321060MA300
O-ring(6j8)
Loading…
↗
10
9310120M0700
Oil seal
Loading…
↗
11
6J8W0078A200
Water pump repair kit
Loading…
↗
12
663443220000
Insert, cartridge
Loading…
↗
13
6H4443520200
Impeller
Loading…
↗
15
663443230000
Outer plate, cartridge
Loading…
↗
18
9011908M1300
Bolt, with washer(6h0)
Loading…
↗
19
9011908M3400
Bolt, with washer(6j8)
Loading…
↗
20
6H4W00780A00
Chrome pump kit
Loading…
↗
21
670443220100
Insert, cartridge
Loading…
↗
22
670443210000
Inner plate, cartridge
Loading…
↗
23
670443230000
Outer plate, cartridge
Loading…
↗