Yamaha Outboard Parts - Lower Casing & Drive - 25JETO (1998) | Flood Marine
New Search
Parts
New Outboards
Home
25JETO (1998)
Lower Casing & Drive
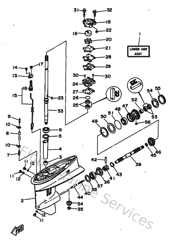
Diagram: Lower Casing & Drive
Parts List
Reference
Description
Price
1
6J845300044D
Lower unit assembly
Loading…
↗
2
6J845301024D
Casing, lower
Loading…
↗
3
93315220V700
Bearing, cylindrical(6j8)
Loading…
↗
4
6J8455360000
Sleeve, drive shaft
Loading…
↗
5
663455876000
Shim (t:0.50mm)
Loading…
↗
6
933320000100
Brg, tapered roller (409)
Loading…
↗
7
6E5453780000
Nipple, hose
Loading…
↗
8
9044507ME900
Hose (l250)
Loading…
↗
9
6E5835580000
End, nipple
Loading…
↗
10
9046511M1000
Clamp
Loading…
↗
11
9034008M0400
Plug, straight screw
Loading…
↗
12
904300802000
Gasket
Loading…
↗
13
682441760000
Bracket
Loading…
↗
14
977805011000
Screw, tapping(6u1)
Loading…
↗
15
6J8441500000
Shift cam assembly
Loading…
↗
16
682441470000
Boot, shift rod
Loading…
↗
17
9538R0670000
Nut
Loading…
↗
18
6J8443110000
Housing, water pump
Loading…
↗
19
663443220000
Insert, cartridge
Loading…
↗
20
6H4443520200
Impeller
Loading…
↗
21
66344315A000
Gasket,water pump 1
Loading…
↗
22
663443660000
Damper, water seal 2
Loading…
↗
23
902800302400
Key, woodruff(662)
Loading…
↗
24
663443410000
Housing, water pump
Loading…
↗
25
931012307000
Oil seal (663)
Loading…
↗
26
932104104200
O-ring (132)
Loading…
↗
27
66344316A000
Gasket,water pump 2
Loading…
↗
28
663443230000
Outer plate, cartridge
Loading…
↗
29
66344324A000
Gasket,cartridge outer plate
Loading…
↗
30
936040806200
Pin,dowel (626)
Loading…
↗
31
9011908M1300
Bolt, with washer(6h0)
Loading…
↗
32
9011908M3400
Bolt, with washer(6j8)
Loading…
↗
33
6J8455010000
Drive shaft comp.
Loading…
↗
34
6J8455510000
Pinion
Loading…
↗
35
9017910M1400
Nut(6j8)
Loading…
↗
36
6J8455600000
Gear
Loading…
↗
37
93332000V600
Bearing(6j8)
Loading…
↗
38
24W175376000
Shim, thrust (0.5t)
Loading…
↗
39
6J8456110000
Shaft, propeller
Loading…
↗
40
905011006500
Spring compression648456360000
Loading…
↗
41
6J8456310000
Clutch, dog
Loading…
↗
42
902500501000
Pin straight 648456320000
Loading…
↗
43
648456331100
Ring, cross pin
Loading…
↗
44
6J8456350000
Plunger, shift
Loading…
↗
45
902012041700
Washer, plate(663)
Loading…
↗
46
6J8455710000
Gear
Loading…
↗
47
689453310100
Housing, bearing
Loading…
↗
48
933060061200
Bearing(2hr)
Loading…
↗
49
664455770130
Shim (t:0.30mm)
Loading…
↗
51
9321060MA300
O-ring(6j8)
Loading…
↗
52
933152200400
Brg,cyl-cal roller 21g nt
Loading…
↗
53
9310120M0700
Oil seal
Loading…
↗
54
9021445M0200
Washer, claw(6a9)
Loading…
↗
55
664453840000
Nut
Loading…
↗
56
902820401000
Key, strait(663)
Loading…
↗
1
6J8443610000
Tube, water
Loading…
↗
2
6J8443660000
Damper, water seal
Loading…
↗
3
663443670000
Damper, water seal 3
Loading…
↗
4
663453760094
Guide, seal damper
Loading…
↗
5
688453750000
Damper, seal 2
Loading…
↗
6
6J8452241000
Cover, water inlet 3
Loading…
↗
7
985800601200
Screw, pan head(62j)
Loading…
↗
8
936061201900
Pin, dowel (614)
Loading…
↗
9
970751004000
Bolt, hexagon deep recess
Loading…
↗
10
929901010000
Ybs67-10 washer, spring
Loading…
↗
11
929901060000
Washer, plate
Loading…
↗
12
9011908M9200
Bolt, with washer
Loading…
↗
13
689452140100
Cover, water inlet 1
Loading…
↗
14
6J8452150000
Cover, water inlet
Loading…
↗
15
987800552500
Ybs53-525 screw,flat head
Loading…
↗
16
901850590400
Nut nylon (sus)(ex4)
Loading…
↗
17
664453710100
Tab-trim
Loading…
↗
18
970950802000
Bolt, hexagon
Loading…
↗
19
929900810000
Ybs67-8 washer, spring
Loading…
↗
20
929900860000
Washer, plain (663)
Loading…
↗
21
6L2459870100
Spacer
Loading…
↗
22
689459970000
Spacer
Loading…
↗
23
929901420000
Washer, plain
Loading…
↗
24
901711401300
Nut(664)
Loading…
↗
25
914903003000
Pin, cotter
Loading…
↗
26
664459540100
Propeller (3x9-7/8 x12 -f)
Loading…
↗
27
6J8W459100EL
Propeller (3x10-5/8"x8-1/4"-f)
Loading…
↗
28
6J8459861098
Ring, deflector
Loading…
↗