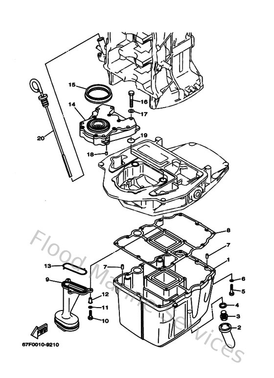
Yamaha Outboard Parts - Oil Pan - F100AET (2001) | Flood Marine

Diagram: Oil Pan

Diagram