Yamaha Outboard Parts - Oil Pan - F115AET (2000) | Flood Marine
New Search
Parts
New Outboards
Home
F115AET (2000)
Oil Pan
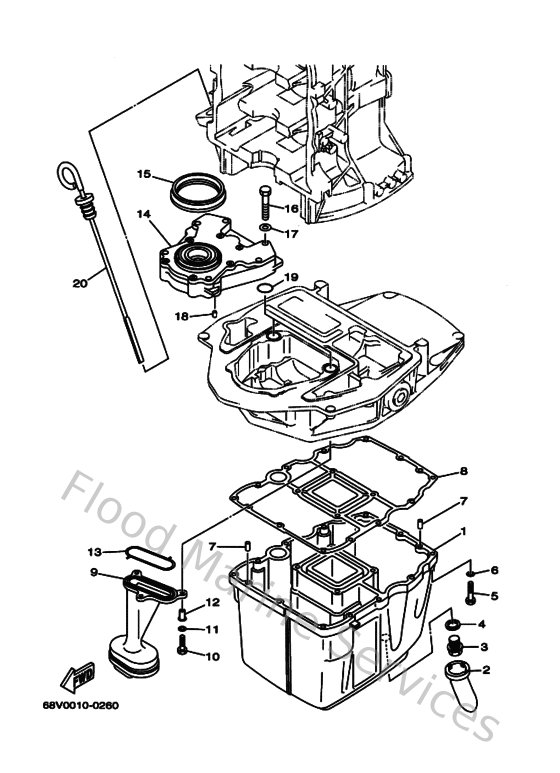
Diagram: Oil Pan
Parts List
Reference
Description
Price
1
67F15311005B
Oil pan set
Loading…
↗
2
67F153160000
Damper 1
Loading…
↗
3
9034014M0600
Plug, straight screw(62y)
Loading…
↗
4
9043014M0900
Gasket
Loading…
↗
5
9010106M2700
Bolt
Loading…
↗
6
929950660000
Washer, plain (646)
Loading…
↗
7
936061201900
Pin, dowel (614)
Loading…
↗
8
67F153120000
Gasket, oil pan
Loading…
↗
9
67F134110000
Strainer, oil
Loading…
↗
10
970170602500
Bolt, hexagon
Loading…
↗
11
929070660000
Washer(6ta)
Loading…
↗
12
9038706M6400
Collar
Loading…
↗
13
67F134150000
Seal, oil strainer
Loading…
↗
14
67F133000000
Oil pump assembly
Loading…
↗
15
67F133380000
Seal
Loading…
↗
16
970800604500
Bolt, hexagon
Loading…
↗
18
9360412M0700
Pin, dowel (688)
Loading…
↗
19
9321019MJ100
O-ring
Loading…
↗
20
68V153620000
Plug, Oil Level
Loading…
↗