Yamaha Outboard Parts - Oil Pump - 25JETO (1998) | Flood Marine
New Search
Parts
New Outboards
Home
25JETO (1998)
Oil Pump
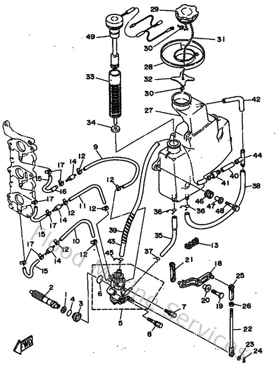
Diagram: Oil Pump
Parts List
Reference
Description
Price
1
9020108M9300
Washer, plate (6g5)
Loading…
↗
2
6J8115370000
Gear, driven
Loading…
↗
3
6J8131170000
Collar, distance
Loading…
↗
4
932101359500
93210-13m04
Loading…
↗
5
6J8132000100
Oil injection pump assembly
Loading…
↗
6
9321019M8200
O-ring(6j8)
Loading…
↗
7
9010905M3200
Bolt
Loading…
↗
8
9010905M3300
Bolt
Loading…
↗
9
9044507M0800
Hose (l390)
Loading…
↗
10
9044507M3200
Hose (l200)
Loading…
↗
11
9044507MA300
Hose (l200)
Loading…
↗
12
9046807M0200
Clip (6e5)
Loading…
↗
13
9046407M0500
Clamp (6g5)
Loading…
↗
14
6E9131837000
Valve check
Loading…
↗
15
9044507M0400
Hose(62t)
Loading…
↗
16
9044511M0800
Hose (l70)
Loading…
↗
18
6J8131550000
Lever, control
Loading…
↗
19
9010106M2700
Bolt
Loading…
↗
20
9038706M6000
Collar (6h3)
Loading…
↗
21
6J8412380000
Joint, link
Loading…
↗
22
6J8412370000
Joint, link
Loading…
↗
23
902020508800
Washer, plate (666)
Loading…
↗
24
9046805M0300
Clip(6j8)
Loading…
↗
25
682412370000
Joint, link 2
Loading…
↗
26
953800570000
Nut (656)
Loading…
↗
27
6J8217070100
Oil tank comp.
Loading…
↗
28
6J82173M0000
Seal 3
Loading…
↗
29
6H4217700000
Oil tank cap assembly
Loading…
↗
30
6H1217570000
Washer, special 1
Loading…
↗
32
6J8217580000
Washer, special 2
Loading…
↗
33
6J8134110000
Strainer, oil
Loading…
↗
34
6J8134140000
Gasket, strainer cover
Loading…
↗
35
6J8134160000
Pipe, oil 1
Loading…
↗
36
9046711M0800
Clip(72x)
Loading…
↗
37
904670800400
Clip, pipe 6162435600
Loading…
↗
38
9044511M1500
Hose (l360)
Loading…
↗
39
9044610M0100
Tube (6e5)
Loading…
↗
40
90445112E000
Hose (l70)
Loading…
↗
41
6J8217440000
Breather
Loading…
↗
42
9044511M0200
Hose (l100)
Loading…
↗
43
9044511M0400
Hose (l600)
Loading…
↗
44
6E5243780000
Pipe, joint 3
Loading…
↗
45
9046710M0400
Clip, pipe 1 (6e9)
Loading…
↗
46
6A0823170000
Damper, ignition coil
Loading…
↗
47
624425420000
Collar
Loading…
↗
48
9011906M6500
Bolt, with washer
Loading…
↗
49
6J8857200100
Oil level gauge assembly
Loading…
↗