Yamaha Outboard Parts - Oil Tank - L250AETO (1995) | Flood Marine

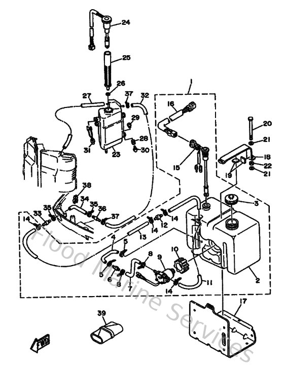
Diagram: Oil Tank

Diagram

Parts List

Reference
Description
Price