Yamaha Outboard Parts - Optionnelles 1 - L250AETO (1995) | Flood Marine

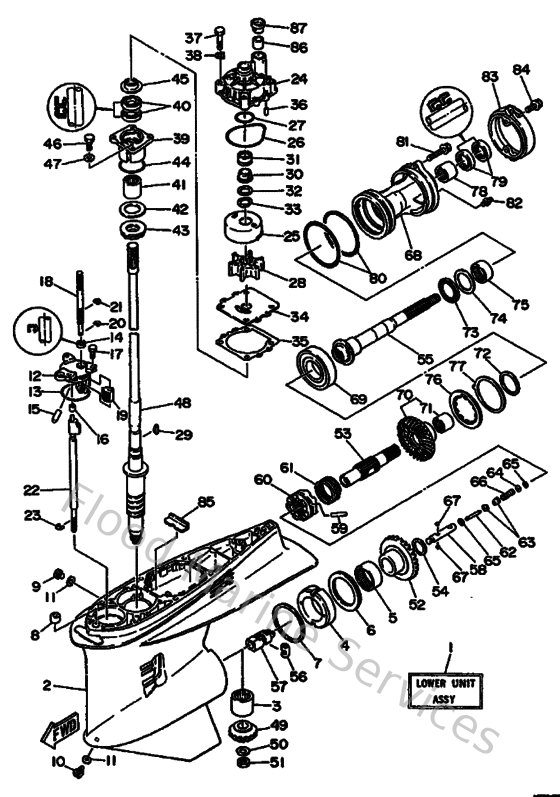
Diagram: Optionnelles 1

Diagram

Parts List

Reference
Description
Price