Yamaha Outboard Parts - Repair Kit 2 - 25QEO (1997) | Flood Marine
New Search
Parts
New Outboards
Home
25QEO (1997)
Repair Kit 2
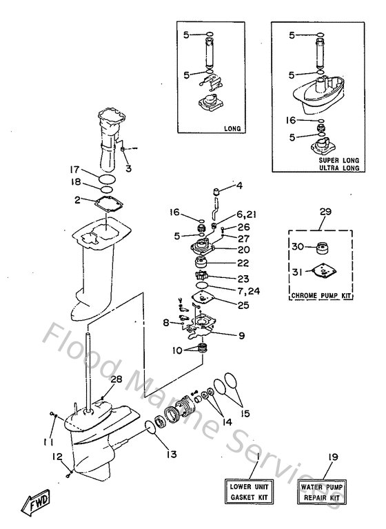
Diagram: Repair Kit 2
Parts List
Reference
Description
Price
1
61NW0001E100
Lower Unit Gasket Kit
Loading…
↗
2
66441134A000
Gasket, exhaust manifold
Loading…
↗
3
689411350000
Gasket, Exhaust Manifold
Loading…
↗
4
689443660000
Damper, water seal 2
Loading…
↗
5
932102624000
O-ring
Loading…
↗
6
6L2443670000
Damper, water seal 3
Loading…
↗
7
932104516100
O-ring
Loading…
↗
8
9321006ME600
O-ring
Loading…
↗
9
61N453150000
Packing, lower casing
Loading…
↗
10
931012206700
Oil seal (22x36x6-663)
Loading…
↗
11
904300802000
Gasket
Loading…
↗
12
904300800300
Gasket
Loading…
↗
13
9321064ME700
O-ring
Loading…
↗
14
9310120M0700
Oil seal
Loading…
↗
15
9321065M5000
O-ring
Loading…
↗
16
932102229800
O-ring
Loading…
↗
17
689411410000
Seal, exhaust 1
Loading…
↗
18
689411420000
Seal, exhust 2
Loading…
↗
19
61NW00780100
Water pump reair kit
Loading…
↗
20
61N443110100
Housing, water pump
Loading…
↗
22
61N443220100
Insert, cartridge
Loading…
↗
23
6H4443520200
Impeller
Loading…
↗
25
61N443230000
Outer plate, cartridge
Loading…
↗
26
970950604000
Bolt (682)
Loading…
↗
27
929900660000
Washer, plain (646)
Loading…
↗
28
902800302400
Key, woodruff(662)
Loading…
↗
29
61NW00780A00
Chrome Pump Kit
Loading…
↗
30
61N443224100
Insert, cartridge
Loading…
↗
31
61N443234000
Outer plate, cartridge
Loading…
↗