Yamaha Outboard Parts - Starter - 9.9DMH (1993) | Flood Marine
New Search
Parts
New Outboards
Home
9.9DMH (1993)
Starter
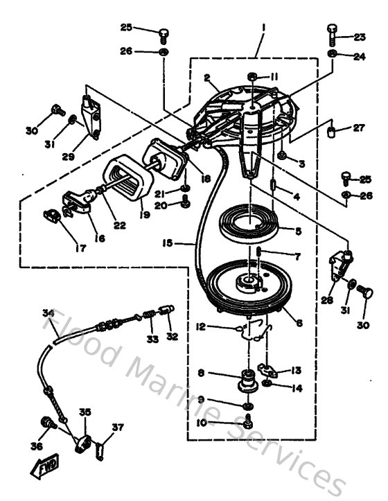
Diagram: Starter
Parts List
Reference
Description
Price
1
6E7157100494
Starter Assembly
Loading…
↗
2
682157117194
Case, Starter
Loading…
↗
4
916904001600
Pin, spring (648)
Loading…
↗
5
9051008M0400
Spring, spiral (677)
Loading…
↗
6
677157140094
Drum, sheave
Loading…
↗
7
916904002000
Pin, spring
Loading…
↗
8
677157170100
Shaft
Loading…
↗
9
90201065F300
Washer, plate
Loading…
↗
10
9011906M3400
Bolt,with washer (6k8)
Loading…
↗
11
953800660000
Nut(661)
Loading…
↗
12
677157050200
Spring, pawl drive
Loading…
↗
13
677157410100
Pawl, drive
Loading…
↗
14
9343006M0200
Circlip (689)
Loading…
↗
15
907904819300
Starter rope (5x50000mm)
Loading…
↗
16
689157550100
Handle, starter
Loading…
↗
17
6F5157790200
Cover
Loading…
↗
18
6E7157580094
Guide, Rope
Loading…
↗
19
6E7157610000
Seal, Rubber 1
Loading…
↗
20
970950601600
Bolt, hexagon deep recess
Loading…
↗
21
929900660000
Washer, plain (646)
Loading…
↗
22
689157890000
Damper
Loading…
↗
23
973950603500
Bolt(j52)
Loading…
↗
25
970800602000
Bolt(7u8)
Loading…
↗
27
995301001400
Pin, dowel
Loading…
↗
28
6E7157710194
Stay 1
Loading…
↗
29
6E7157718094
Stay 1
Loading…
↗
30
973130601800
Bolt, hexagon
Loading…
↗
32
656157480000
Plunger, starter stop
Loading…
↗
33
905011022700
Spring, comprreshion(656)
Loading…
↗
34
682157700000
Cable Comp., Starter Stop
Loading…
↗
35
682157460000
Arm
Loading…
↗
36
9010906M0400
Bolt
Loading…
↗
37
682157470000
Link
Loading…
↗