Yamaha Outboard Parts - Alternate 10 - 25QEO (1990) | Flood Marine

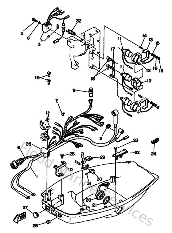
Diagram: Alternate 10

Diagram