Yamaha Outboard Parts - Alternate 10 - 50DEMTO (1988) | Flood Marine
New Search
Parts
New Outboards
Home
50DEMTO (1988)
Alternate 10
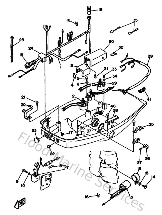
Diagram: Alternate 10
Parts List
Reference
Description
Price
1
6H4821050000
Battery cable
Loading…
↗
2
688819501000
Relay assembly
Loading…
↗
3
6H3821640000
Case 2
Loading…
↗
5
970950601600
Bolt, hexagon deep recess
Loading…
↗
6
929900660000
Washer, plain (646)
Loading…
↗
7
6G1819706000
Rectifier assembly
Loading…
↗
8
6G1821510000
Fuse (10a)
Loading…
↗
9
985800552500
Screw, panhead (a93)
Loading…
↗
10
929900560000
Washer, plain (646)
Loading…
↗
11
932100326100
O-ring (663)
Loading…
↗
13
6H4861120000
Stay, Solenoid
Loading…
↗
14
973130601600
Bolt, hexagon deep recess
Loading…
↗
16
904651814700
Clamp
Loading…
↗
18
6H4825902100
Wire Harness Assembly
Loading…
↗
20
6H4825880000
Plate
Loading…
↗
21
970130601200
Bolt(gh1)
Loading…
↗
22
6H4427250000
Grommet 2
Loading…
↗
23
676427260000
Grommet 3
Loading…
↗
24
6H4427242000
Grommet
Loading…
↗
25
6H4825540000
Stay, Neutral Switch
Loading…
↗
26
6H4441730100
Lever Shift Control
Loading…
↗
27
916903002000
Pin, spring (6h4)
Loading…
↗
28
437839361000
Band, switch cord
Loading…
↗
32
904641603900
Clamp (3y2)
Loading…
↗
33
970800602000
Bolt(7u8)
Loading…
↗
35
688819490000
Wire, Lead
Loading…
↗
36
6H1825630000
Trim & tilt switch assembly
Loading…
↗
37
6E5825870000
Gasket
Loading…
↗
38
6E5836140100
Bracket
Loading…
↗
39
6H3825530000
Extension, Wire
Loading…
↗
41
9046407M0500
Clamp (6g5)
Loading…
↗