Yamaha Outboard Parts - Alternate 2 - 20DEO (1992) | Flood Marine
New Search
Parts
New Outboards
Home
20DEO (1992)
Alternate 2
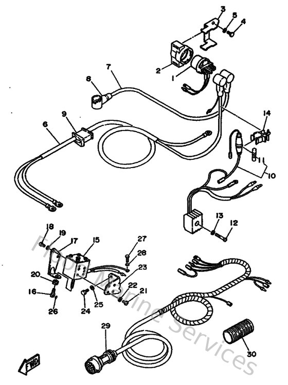
Diagram: Alternate 2
Parts List
Reference
Description
Price
1
6G1819411000
Starter relay
Loading…
↗
2
6G1819520000
Holder, relay
Loading…
↗
3
6L2819450000
Plate, switch fitting
Loading…
↗
4
970130601200
Bolt(gh1)
Loading…
↗
5
929950610000
Washer(6a1)
Loading…
↗
6
6G1821050000
Battery cable
Loading…
↗
7
6G1821170000
Wire, lead
Loading…
↗
8
6G1821190000
Cover, Lead Wire
Loading…
↗
9
6L2427255000
Grommet
Loading…
↗
10
6G1819706100
Rectifier assembly
Loading…
↗
11
6G1821510000
Fuse (10a)
Loading…
↗
12
985030502500
Screw, panhead (a93)
Loading…
↗
13
929900560000
Washer, plain (646)
Loading…
↗
14
6G5821520000
Holder, fuse
Loading…
↗
15
6L2861110000
Coil, solenoid
Loading…
↗
16
682861170000
Hook, wire pull
Loading…
↗
17
6L2861150000
Holder, solenoid
Loading…
↗
18
985800500800
Screw, pan head (7g3)
Loading…
↗
20
904801015500
Grommet(664)
Loading…
↗
21
985800400800
Screw, pan head (713)
Loading…
↗
22
929900420000
Ybs66-4 washer, plain
Loading…
↗
23
6L2861120000
Stay, solenoid
Loading…
↗
24
970160601200
Bolt
Loading…
↗
26
932100326100
O-ring (663)
Loading…
↗
28
929900610000
Washer(6a1)
Loading…
↗
29
6L2825900000
Wire harness assembly
Loading…
↗
30
6K3835570000
Tube
Loading…
↗