Yamaha Outboard Parts - Alternate 5 - 40HM (1990) | Flood Marine
New Search
Parts
New Outboards
Home
40HM (1990)
Alternate 5
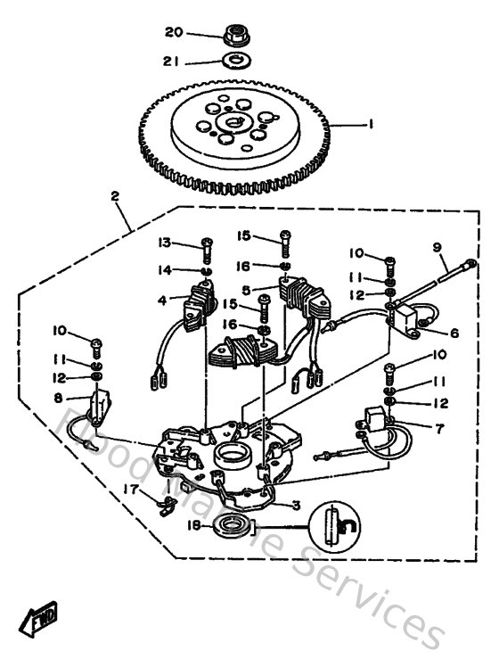
Diagram: Alternate 5
Parts List
Reference
Description
Price
1
6H5855500000
Rotor assembly
Loading…
↗
2
6H5855600100
Base Assembly
Loading…
↗
4
6H5855200000
Coil, charge
Loading…
↗
5
6H5855330100
Coil, Lighting
Loading…
↗
6
6H5855800000
Coil, Pulser
Loading…
↗
7
6H5855801000
Coil, Pulser
Loading…
↗
10
985010501200
Screw,pan head (646)
Loading…
↗
11
929900510000
Ybs67-5 washer, spring
Loading…
↗
12
929010560000
Washer, plain (646)
Loading…
↗
13
985010602500
Screw, pan head (76t)
Loading…
↗
14
929950610000
Washer(6a1)
Loading…
↗
15
985010603000
Screw, pan head(6e0)
Loading…
↗
16
929900610000
Washer(6a1)
Loading…
↗
17
9046403M1500
Clamp(6j8)
Loading…
↗
18
931022309600
Oil seal (23x38x7-648)
Loading…
↗