Yamaha Outboard Parts - Bottom Cowling - 5CMH (1998) | Flood Marine
New Search
Parts
New Outboards
Home
5CMH (1998)
Bottom Cowling
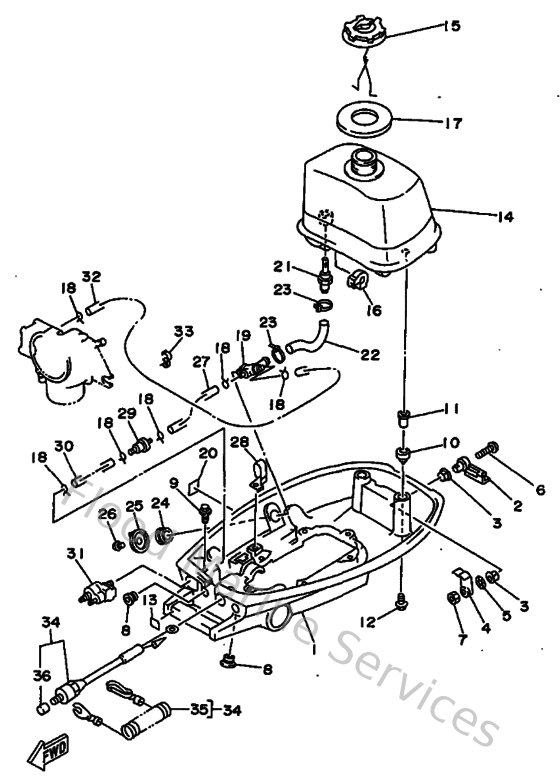
Diagram: Bottom Cowling
Parts List
Reference
Description
Price
1
6E042711104D
Cowling bottom
Loading…
↗
2
6E042815004D
Lever, clamp
Loading…
↗
3
903861206900
Bush(666)
Loading…
↗
4
6E0428160000
Lever, clamp
Loading…
↗
5
902061205200
Washer, wave (666)
Loading…
↗
6
978850603000
Screw, pan head(6e0)
Loading…
↗
7
953800670000
Nut
Loading…
↗
8
9048014M1400
Grommet (6e0)
Loading…
↗
9
958800602000
Bolt, flange(jk3)
Loading…
↗
10
6E0241820000
Damper, locating 2
Loading…
↗
11
6E0425420000
Pipe 1
Loading…
↗
12
958950602500
Bolt, flange deep recess
Loading…
↗
13
6A1427920100
Mark (100:1)
Loading…
↗
14
6E024110014D
Fuel Tank Comp
Loading…
↗
15
6E0246100200
Cap assembly
Loading…
↗
16
6E0241810000
Damper, locating 1
Loading…
↗
17
6E0246410000
Gasket, cap
Loading…
↗
18
904670800400
Clip, pipe 6162435600
Loading…
↗
19
6E0245001000
Fuel cock assembly 1
Loading…
↗
20
6E0245911000
Emblem, fuel cock
Loading…
↗
21
6E0243350000
Pipe, suction 1
Loading…
↗
22
6E0243110000
Pipe, fuel 1
Loading…
↗
23
9046513M1100
Clamp (6e5)
Loading…
↗
24
9017016M3500
Nut(6e0)
Loading…
↗
25
6J1245240000
Lever, cock
Loading…
↗
26
9015904M2400
Screw, pan head (e56)
Loading…
↗
27
9044509M2700
Hose (l180)
Loading…
↗
28
9046508M6200
Clamp(6e0)
Loading…
↗
29
646242510200
Strainer 1
Loading…
↗
30
904450905700
Hose (l180)
Loading…
↗
31
6G1243040200
Fuel pipe joint comp. 1
Loading…
↗
32
6E0243120000
Pipe 2
Loading…
↗
33
9046409M2100
Clamp(6j8)
Loading…
↗
34
6E0825750000
Engine stop switch assembly
Loading…
↗
35
682825560000
Lanyard, stop switch
Loading…
↗
36
6898257Y0000
Cap
Loading…
↗