Yamaha Outboard Parts - Bracket 1 - 150FETOL (1998) | Flood Marine

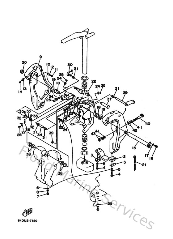
Diagram: Bracket 1

Diagram

Parts List

Reference
Description
Price