Yamaha Outboard Parts - Bracket 1 - 175DETOL (1996) | Flood Marine
New Search
Parts
New Outboards
Home
175DETOL (1996)
Bracket 1
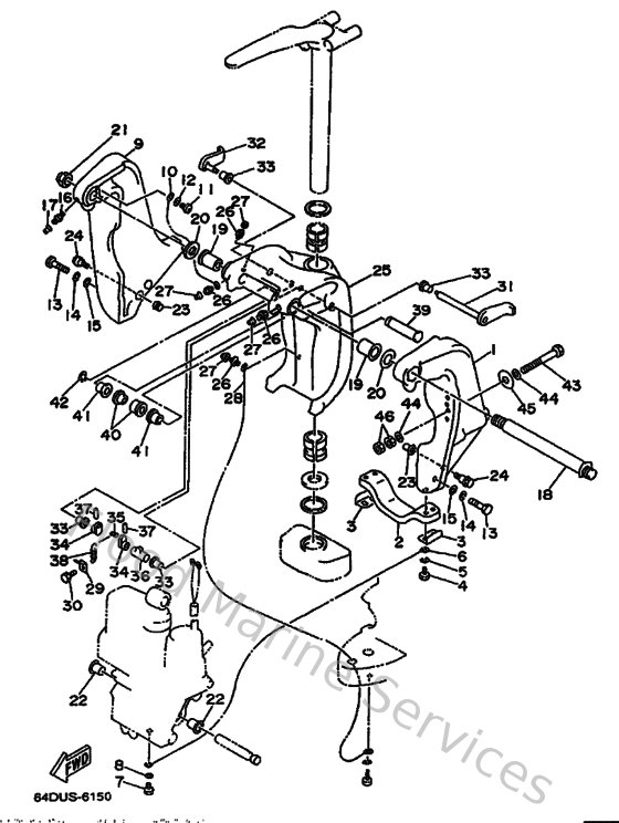
Diagram: Bracket 1
Parts List
Reference
Description
Price
2
6G5452510100
Anode
Loading…
↗
3
6G5445260000
Plate
Loading…
↗
4
970950603000
Bolt(jf7)
Loading…
↗
5
929950610000
Washer(6a1)
Loading…
↗
6
6E5821480000
Wire, lead 5
Loading…
↗
7
970950601000
Bolt
Loading…
↗
8
929900660000
Washer, plain (646)
Loading…
↗
11
985800601200
Screw, pan head(62j)
Loading…
↗
13
970951005000
Bolt, hexagon deep recess
Loading…
↗
14
929901010000
Ybs67-10 washer, spring
Loading…
↗
15
929901060000
Washer, plate
Loading…
↗
16
9370006M0300
Nipple, grease(6a1)
Loading…
↗
17
663451190000
Cap, grease nipple
Loading…
↗
18
6R3431310000
Bolt, clamp bracket
Loading…
↗
19
9038625M3100
Bushing (6e5)
Loading…
↗
20
9020126M5900
Washer, plate (6e5)
Loading…
↗
21
9018522M1100
Nut, self-locking
Loading…
↗
22
9038618M1400
Bushing (6e5)
Loading…
↗
23
6G5431640000
Rod, Tilt Lock
Loading…
↗
24
9010912M3500
Bolt
Loading…
↗
28
6E5821470000
Wire, lead 5
Loading…
↗
30
970850601000
Bolt
Loading…
↗
31
6G5431810200
Lever, tilt stop 1
Loading…
↗
32
6G5431850200
Lever, tilt stop 2
Loading…
↗
33
9038610M1600
Bushing (688)
Loading…
↗
34
6G5431480000
Collar, distance
Loading…
↗
35
9024906M1900
Pin(6e5)
Loading…
↗
36
9038710M0200
Collar(6e5)
Loading…
↗
37
916903002000
Pin, spring (6h4)
Loading…
↗
38
9050614M2400
Spring, tension(6e5)
Loading…
↗
39
6E5431260200
Pin, upper shock mount
Loading…
↗
40
9038618M6300
Bush(6e5)
Loading…
↗
42
9341018M0500
Circlip (6f2)
Loading…
↗
43
9010112M0300
Bolt (l:115mm)
Loading…
↗
44
9020113M0100
Washer, plate(6e5)
Loading…
↗
45
9020112M0500
Washe, plate(663)
Loading…
↗
46
953801260000
Nut (707)
Loading…
↗