Yamaha Outboard Parts - Bracket 1 - 25BMH (1994) | Flood Marine
New Search
Parts
New Outboards
Home
25BMH (1994)
Bracket 1
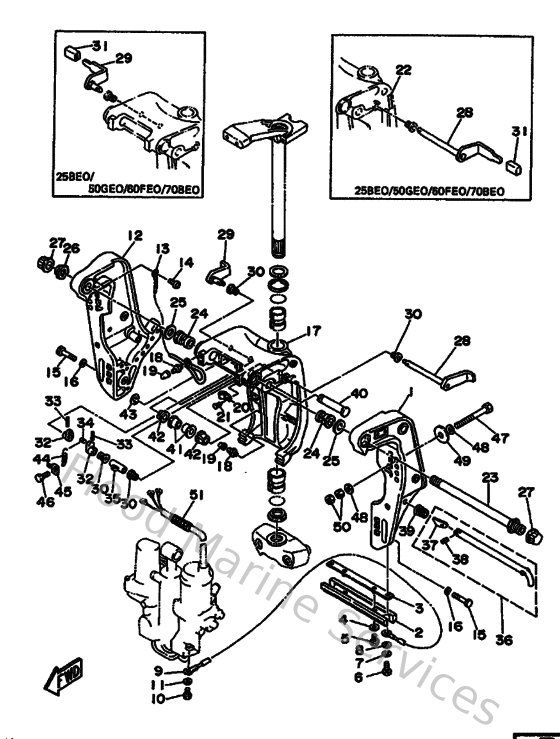
Diagram: Bracket 1
Parts List
Reference
Description
Price
1
6H143111004D
Bracket, clamp 1
Loading…
↗
2
6H1452510200
Anode
Loading…
↗
3
6H1445260000
Plate 2
Loading…
↗
4
9020106M3100
Washer (6a0)
Loading…
↗
5
970950601200
Bolt(gh1)
Loading…
↗
6
970950601600
Bolt, hexagon deep recess
Loading…
↗
7
929950610000
Washer(6a1)
Loading…
↗
8
929900660000
Washer, plain (646)
Loading…
↗
9
6H1821480000
Wire, lead
Loading…
↗
10
970850601000
Bolt
Loading…
↗
12
6H143112004D
Bracket, clamp 2
Loading…
↗
14
985800601200
Screw, pan head(62j)
Loading…
↗
15
970951004500
Bolt(64d)
Loading…
↗
16
929901010000
Ybs67-10 washer, spring
Loading…
↗
17
6H143311014D
Bracket, swivel 1
Loading…
↗
18
9370006M0300
Nipple, grease(6a1)
Loading…
↗
19
663451190000
Cap, grease nipple
Loading…
↗
20
9046411M1800
Clamp(6e5)
Loading…
↗
21
9033805M0300
Plug (6h1)
Loading…
↗
23
688431310300
Bolt, clamp bracket
Loading…
↗
24
9038622M1500
Bushing (688)
Loading…
↗
25
9020122M6700
Washer, plate (688)
Loading…
↗
26
9018522M1100
Nut, self-locking
Loading…
↗
27
6G5431450000
Cap, clamp bracket
Loading…
↗
28
688431811000
Lever, tilt stop 1
Loading…
↗
29
6H1431850100
Lever, tilt stop 2
Loading…
↗
30
9038610M1600
Bushing (688)
Loading…
↗
32
6G5431480000
Collar, distance
Loading…
↗
33
916903002000
Pin, spring (6h4)
Loading…
↗
34
9024906M1900
Pin(6e5)
Loading…
↗
35
9038710M0200
Collar(6e5)
Loading…
↗
36
688431600100
Tilt rod ass'y
Loading…
↗
37
688431650000
Stopper, tilt rod
Loading…
↗
38
916903001200
Pin, spring
Loading…
↗
39
9050216M0200
Spring, conical (688)
Loading…
↗
40
6E5431260200
Pin, upper shock mount
Loading…
↗
41
9038618M6300
Bush(6e5)
Loading…
↗
42
9038618M3500
Bush (688)
Loading…
↗
43
9341018M0200
Circlip (6f2)
Loading…
↗
44
9050614M2400
Spring, tension(6e5)
Loading…
↗
45
6G5431440000
Hook, spring
Loading…
↗
46
970950601000
Bolt
Loading…
↗
47
9010112M6500
Bolt
Loading…
↗
48
929951220000
Ybs66-12 washer,plain
Loading…
↗
49
902011242600
Washe, plate(663)
Loading…
↗
50
953801260000
Nut (707)
Loading…
↗
51
9044014M0000
Pipe(6h4)
Loading…
↗
1
69743111044D
Bracket, clamp
Loading…
↗
2
663452510000
Anode
Loading…
↗
5
970800601200
Bolt(gh1)
Loading…
↗
6
921800602500
Screw, countersunk
Loading…
↗
12
69743112034D
Bracket, clamp
Loading…
↗
13
6E5821480000
Wire, lead 5
Loading…
↗
17
69743311034D
Bracket, swivel
Loading…
↗
18
902690301000
Rivet (663)
Loading…
↗
27
688431810400
Lever, tilt stop 1
Loading…
↗
28
688431850400
Lever, tilt stop 2
Loading…
↗
30
929901060000
Washer, plate
Loading…
↗
31
9050110M2100
Spring (688)
Loading…
↗
32
9038710M3800
Coller (6e5)
Loading…
↗
33
914903003000
Pin, cotter
Loading…
↗
34
663433180000
Cover
Loading…
↗
35
697431600000
Tilt lock ass'y
Loading…
↗
38
9050220M0300
Spring (6e5)
Loading…
↗
40
9038618M2100
Bushing (688)
Loading…
↗
42
9341018M0500
Circlip (6f2)
Loading…
↗