Yamaha Outboard Parts - Bracket 1 - 25VMH (1996) | Flood Marine
New Search
Parts
New Outboards
Home
25VMH (1996)
Bracket 1
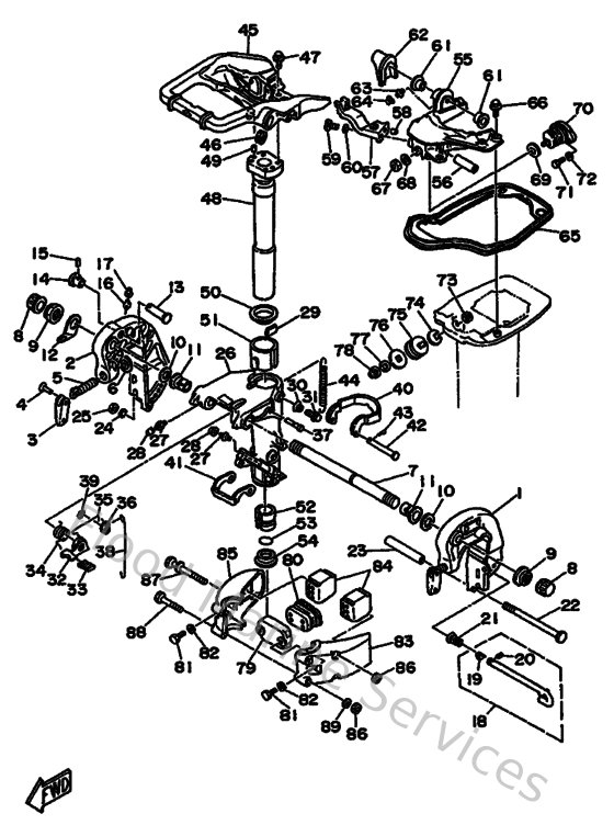
Diagram: Bracket 1
Parts List
Reference
Description
Price
1
68943111034D
Bracket, clamp 1
Loading…
↗
2
68943112024D
Bracket, clamp 2
Loading…
↗
3
61643118014D
Handle, transom clamp
Loading…
↗
4
9024304M0000
Pin(6a9)
Loading…
↗
5
9014914M0300
Screw(6j8)
Loading…
↗
6
648431140100
Pad, transom clamp
Loading…
↗
7
6J8431310100
Bolt, clamp bracket
Loading…
↗
8
6G5431450000
Cap, clamp bracket
Loading…
↗
9
9018522M1100
Nut, self-locking
Loading…
↗
10
9020122M0300
Washer, plate(64j)
Loading…
↗
11
9038622M6700
Bush(6a9)
Loading…
↗
12
6J8431130100
Plate, clamp bracket
Loading…
↗
13
689431910000
Shaft, stopper
Loading…
↗
14
689431920100
Knob, stopper
Loading…
↗
15
916903001600
Pin, spring
Loading…
↗
16
9370006M0300
Nipple, grease(6a1)
Loading…
↗
17
663451190000
Cap, grease nipple
Loading…
↗
18
689431600000
Tilt rod assembly
Loading…
↗
19
689431650000
Plate, tilt lock
Loading…
↗
20
916903000800
Pin. spring(656)
Loading…
↗
21
9050210M0700
Spring, conical(6k3)
Loading…
↗
22
901010833900
Bolt, hexagon (656)
Loading…
↗
23
903870901900
Collar
Loading…
↗
24
929950860000
Washer, plain (663)
Loading…
↗
25
953800860000
Nut (661)
Loading…
↗
26
68943311034D
Bracket, swivel 1
Loading…
↗
29
648425280000
Plate, friction
Loading…
↗
30
689433730100
Seal, damper
Loading…
↗
31
9010506M1800
Bolt (689)
Loading…
↗
32
689436310000
Lever, tilt 1
Loading…
↗
33
689436330000
Cover, tilt lever
Loading…
↗
34
689436430000
Spring, torsion
Loading…
↗
35
689436160000
Rod, tilt lock 1
Loading…
↗
36
648436420000
Lever,tilt 2
Loading…
↗
37
9024906M2200
Pin(6a9)
Loading…
↗
38
648436170000
Rod, tilt lock 2
Loading…
↗
39
990800560000
Circlip(22k)
Loading…
↗
40
689436140100
Plate, tilt lock
Loading…
↗
41
648436150000
Plate, tilt lock 2
Loading…
↗
42
902400504600
Pin With Hole (656)
Loading…
↗
43
914901601000
Pin, cotter
Loading…
↗
44
9050630M2700
Spring, tension(6a4)
Loading…
↗
45
68942511028D
BRACKET, STEERING
Loading…
↗
46
904802904500
Grommet 648425510000
Loading…
↗
47
9010506M0700
Bolt (689)
Loading…
↗
48
689425210094
Shaft, steering pivot
Loading…
↗
49
936081206300
Pin, dowel (626)
Loading…
↗
50
902094701600
Washer 648425350000
Loading…
↗
51
9038647M2200
Bushing (695)
Loading…
↗
52
903863809000
Bushing (664)
Loading…
↗
53
9321037M6700
O-ring (6g8)
Loading…
↗
54
903863802200
Bush(648-42539-00)
Loading…
↗
55
648445180094
Bracket comp.
Loading…
↗
56
9038710M3900
Coller (689)
Loading…
↗
57
648445190000
Bracket
Loading…
↗
58
936061201900
Pin, dowel (614)
Loading…
↗
59
970800601800
Bolt (fj0)
Loading…
↗
60
929900660000
Washer, plain (646)
Loading…
↗
61
9038112M0100
Bush, solid(6a4)
Loading…
↗
62
689427180000
Rubber, seal 3
Loading…
↗
65
689427160000
Rubber, Seal 1
Loading…
↗
66
9010506M0800
Bolt (689)
Loading…
↗
67
953801060000
Nut(624)
Loading…
↗
68
929901020000
958-69527-00 washer, plain
Loading…
↗
69
64844591A000
Gasket
Loading…
↗
70
689445160000
Mount damper, upper front
Loading…
↗
71
970800602000
Bolt(7u8)
Loading…
↗
75
664445140094
Mount damper, upper side
Loading…
↗
76
66444591A000
Gasket
Loading…
↗
78
953801080000
Nut, crown (650)
Loading…
↗
79
689445530094
Cover, lower mount
Loading…
↗
80
689445570000
Mount damper, lower front
Loading…
↗
81
970950802500
Bolt (62g)
Loading…
↗
82
929900860000
Washer, plain (663)
Loading…
↗
83
68944551004D
Housing, lower mount rubber 1
Loading…
↗
84
689445550000
Mount damper, lower side
Loading…
↗
85
68944552018D
Housing, lower mount rubber 2
Loading…
↗
87
9011908M0300
Bolt (689)
Loading…
↗
88
970800806500
Bolt (gk02)
Loading…
↗