Yamaha Outboard Parts - Bracket 1 - 60FETO (1986) | Flood Marine
New Search
Parts
New Outboards
Home
60FETO (1986)
Bracket 1
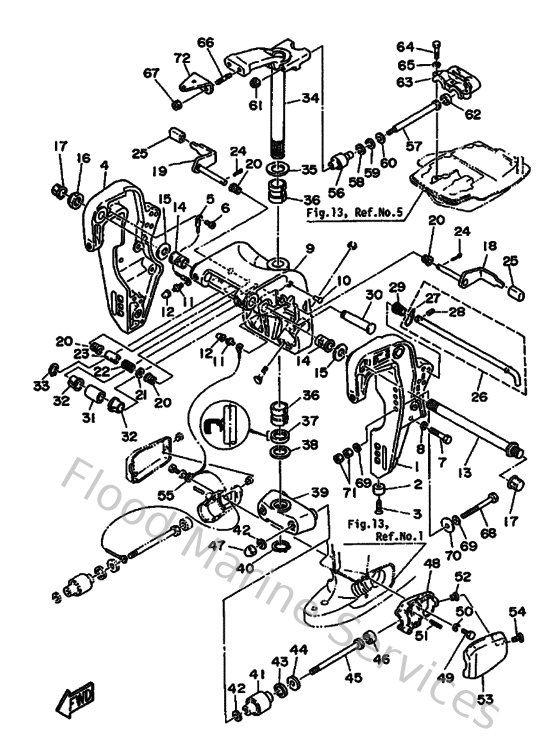
Diagram: Bracket 1
Parts List
Reference
Description
Price
2
688452510100
Anode
Loading…
↗
3
921800602500
Screw, countersunk
Loading…
↗
4
6884311212EJ
Bracket, Clamp
Loading…
↗
5
688821480000
Wire, Lead 4
Loading…
↗
6
978850601200
Screw, pan head(62j)
Loading…
↗
7
973951004500
Bolt(64d)
Loading…
↗
8
929901010000
Ybs67-10 washer, spring
Loading…
↗
10
902690301000
Rivet (663)
Loading…
↗
11
9370006M0300
Nipple, grease(6a1)
Loading…
↗
12
663451190000
Cap, grease nipple
Loading…
↗
13
688431310200
Bolt, clamp bracket
Loading…
↗
14
9038622M1500
Bushing (688)
Loading…
↗
15
9020122M6700
Washer, plate (688)
Loading…
↗
16
901852200700
Nut, self-locking
Loading…
↗
17
663431450000
Cap, clamp bracket
Loading…
↗
18
688431810200
Lever, tilt stop 1
Loading…
↗
19
688431850400
Lever, tilt stop 2
Loading…
↗
20
9038610M1600
Bushing (688)
Loading…
↗
21
929901020000
958-69527-00 washer, plain
Loading…
↗
22
9050110M2100
Spring (688)
Loading…
↗
23
9038710M3800
Coller (6e5)
Loading…
↗
24
914903003000
Pin, cotter
Loading…
↗
25
663433180000
Cover
Loading…
↗
26
697431600000
Tilt lock ass'y
Loading…
↗
27
688431650000
Stopper, tilt rod
Loading…
↗
28
916903001200
Pin, spring
Loading…
↗
29
9050216M0200
Spring, conical (688)
Loading…
↗
30
6E5431260000
Pin, upper shock mount
Loading…
↗
31
9038618M2100
Bushing (688)
Loading…
↗
32
9038618M3500
Bush (688)
Loading…
↗
33
9341018M0500
Circlip (6f2)
Loading…
↗
35
902013042000
Washer, plate(6h1)
Loading…
↗
36
903863004800
Bush
Loading…
↗
37
9310930M0300
Oil seal (688)
Loading…
↗
38
902013141800
Washer plate(663)
Loading…
↗
40
9341028M0600
Circlip (688)
Loading…
↗
41
687445550094
Mount damper, lower side
Loading…
↗
42
9020112M1600
Washer, plate (679)
Loading…
↗
43
9020225M0400
Washer, plate (663)
Loading…
↗
44
9020113M1900
Washer, plate (663)
Loading…
↗
45
9010912M2100
Bolt (6h3)
Loading…
↗
46
663445750000
Damper, lower mount rubber
Loading…
↗
47
953801280000
Nut crown(663)
Loading…
↗
48
6H34455201EJ
Housing, lower mount rubber
Loading…
↗
49
970950802500
Bolt (62g)
Loading…
↗
50
929900810000
Ybs67-8 washer, spring
Loading…
↗
51
905011423600
Spring, compression(64j)
Loading…
↗
52
901790606600
Nut(663)
Loading…
↗
54
985800601600
Screw pan head
Loading…
↗
55
697821270100
Wire, lead 2
Loading…
↗
56
688445140094
Mount damper, upper side
Loading…
↗
57
9010110M4900
Bolt
Loading…
↗
58
9020120M2100
Washer, plate (688)
Loading…
↗
59
9020220M0600
Washer, plate (688)
Loading…
↗
60
9020111M2200
Washer, plate (688)
Loading…
↗
61
901851005100
Nut, self-locking
Loading…
↗
63
688445110000
Cover, upper mount
Loading…
↗
64
973750803500
Bolt(70w)
Loading…
↗
66
901161006300
Bolt, stud
Loading…
↗
68
9010112M6500
Bolt
Loading…
↗
69
929901220000
Ybs66-12 washer,plain
Loading…
↗
70
902011242600
Washe, plate(663)
Loading…
↗
71
953801260000
Nut (707)
Loading…
↗
72
6H34851150EJ
Hook, steering
Loading…
↗