Yamaha Outboard Parts - Bracket 1 - 80AETOL (1985) | Flood Marine
New Search
Parts
New Outboards
Home
80AETOL (1985)
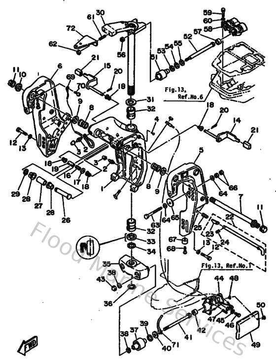
Bracket 1
Diagram: Bracket 1
Parts List
Reference
Description
Price
2
937000600400
Nipple, grease(6a1)
Loading…
↗
3
663451190000
Cap, grease nipple
Loading…
↗
4
902690301000
Rivet (663)
Loading…
↗
6
6884311212EJ
Bracket, Clamp
Loading…
↗
7
688431310300
Bolt, clamp bracket
Loading…
↗
8
9038622M1500
Bushing (688)
Loading…
↗
9
9020122M6700
Washer, plate (688)
Loading…
↗
10
901852204300
Nut, self-locking
Loading…
↗
11
6G5431450100
Cap, clamp bracket
Loading…
↗
12
973951004500
Bolt(64d)
Loading…
↗
13
929901010000
Ybs67-10 washer, spring
Loading…
↗
14
688431810400
Lever, tilt stop 1
Loading…
↗
15
688431850200
Lever, tilt stop 2
Loading…
↗
16
9050110M2100
Spring (688)
Loading…
↗
17
929901020000
958-69527-00 washer, plain
Loading…
↗
18
9038610M1600
Bushing (688)
Loading…
↗
19
9038710M3800
Coller (6e5)
Loading…
↗
20
914903002500
Pin cotter
Loading…
↗
22
688431600100
Tilt rod ass'y
Loading…
↗
23
688431650000
Stopper, tilt rod
Loading…
↗
24
916903001200
Pin, spring
Loading…
↗
25
9050216M0200
Spring, conical (688)
Loading…
↗
26
6E5431260000
Pin, upper shock mount
Loading…
↗
28
9038618M3500
Bush (688)
Loading…
↗
29
9341018M0200
Circlip (6f2)
Loading…
↗
30
68842510038D
Steering bracket assembly
Loading…
↗
31
902013042000
Washer, plate(6h1)
Loading…
↗
32
903863004800
Bush
Loading…
↗
33
9310930M0300
Oil seal (688)
Loading…
↗
34
902013141800
Washer plate(663)
Loading…
↗
35
6634455102EJ
Hsg Lower M0Unt
Loading…
↗
36
9341028M0600
Circlip (688)
Loading…
↗
37
687445550094
Mount damper, lower side
Loading…
↗
38
9020112M1600
Washer, plate (679)
Loading…
↗
39
9020225M0400
Washer, plate (663)
Loading…
↗
40
9020113M1900
Washer, plate (663)
Loading…
↗
41
901091226100
Bolt(663)
Loading…
↗
42
663445750000
Damper, lower mount rubber
Loading…
↗
43
953801280000
Nut crown(663)
Loading…
↗
44
687445520094
Housing, lower mount rubber
Loading…
↗
45
929900810000
Ybs67-8 washer, spring
Loading…
↗
46
973750802500
Bolt (62g)
Loading…
↗
47
905011423600
Spring, compression(64j)
Loading…
↗
48
901790606600
Nut(663)
Loading…
↗
50
923800601500
Screw pan head
Loading…
↗
51
688445140094
Mount damper, upper side
Loading…
↗
52
901011004100
Bolt
Loading…
↗
53
9020120M2100
Washer, plate (688)
Loading…
↗
54
9020220M0600
Washer, plate (688)
Loading…
↗
55
9020111M2200
Washer, plate (688)
Loading…
↗
56
901851005100
Nut, self-locking
Loading…
↗
58
688445110094
Cover, upper mount
Loading…
↗
59
973750803500
Bolt(70w)
Loading…
↗
61
901161017500
Bolt, stud
Loading…
↗
63
9010112M6500
Bolt
Loading…
↗
64
929901220000
Ybs66-12 washer,plain
Loading…
↗
65
902011242600
Washe, plate(663)
Loading…
↗
66
953801260000
Nut (707)
Loading…
↗
67
688452510100
Anode
Loading…
↗
68
9015206M0100
Screw, countersunk
Loading…
↗
69
688821480000
Wire, Lead 4
Loading…
↗
70
978900601200
Screw, pan head(62j)
Loading…
↗
72
6884851110EJ
Hook, steering
Loading…
↗