Diagram Sections: 80AETOL (1985)
Download as PDF-
Bottom Cowling
-
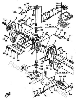
Bracket 1
-
Bracket 2
-
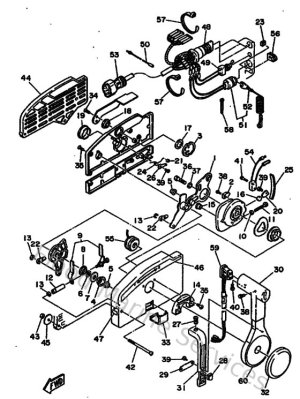
Control
-
Crankshaft & Piston
-
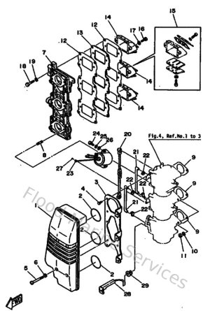
Cylinder & Crankcase
-
Electric Motor
-
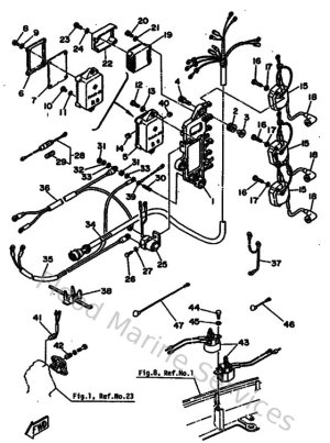
Electric Parts
-
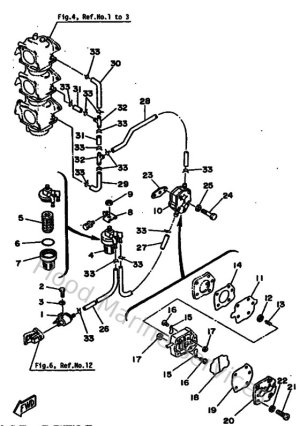
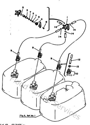
Fuel 1
-
Fuel 2
-
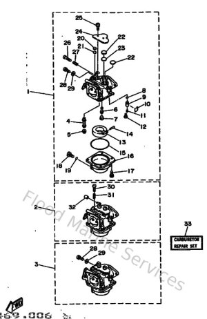
Intake 1
-
Intake 2
-
Lower Casing & Drive 1
-
Lower Casing & Drive 2
-
Magneto
-
Optional Parts 1
-
Optional Parts 2
-
Optional Parts 3
-
Optional Parts 4
-
Optional Parts 5
-
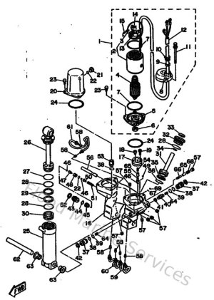
Power Trim & Tilt Assy
-
Remote Control
-
Remote Control Assy
-
Repair Kit
-
Steering Guide
-
Top Cowling
-
Upper Casing