Yamaha Outboard Parts - Bracket 2 - L130BETOL (1996) | Flood Marine
New Search
Parts
New Outboards
Home
L130BETOL (1996)
Bracket 2
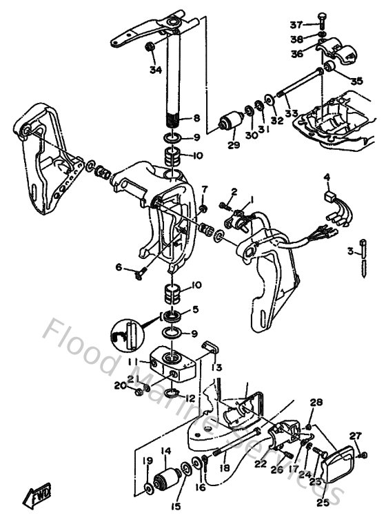
Diagram: Bracket 2
Parts List
Reference
Description
Price
1
6R3836720100
Trim sender
Loading…
↗
4
6N7825410000
Wire, Lead
Loading…
↗
6
6G5433760000
Bolt, Thrust Receiver
Loading…
↗
8
6E542510D08D
element
Loading…
↗
11
6G544551018D
Housing, lower mount rubber
Loading…
↗
13
6E5445750000
Damper, lower mount rubber
Loading…
↗
14
6E5445550000
Mount damper, lower side
Loading…
↗
17
6E5821490000
Wire, lead 3
Loading…
↗
22
6E5445520194
Housing, lower mount rubber
Loading…
↗
25
6E544553018D
Cover, lower mount
Loading…
↗
29
6E5445140000
Mount damper, upper side
Loading…
↗
35
663445750000
Damper, lower mount rubber
Loading…
↗
36
6E544511005B
Cover, upper mount
Loading…
↗