Diagram Sections: L130BETOL (1996)
Download as PDF-
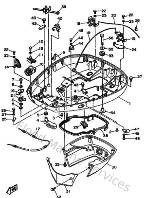
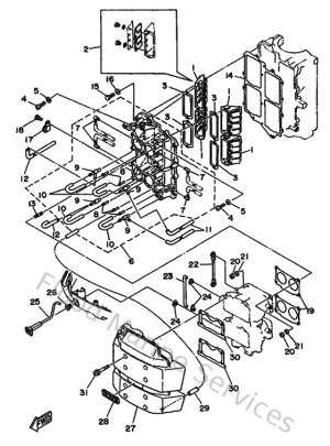
Bottom Cowling
-
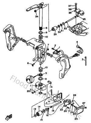
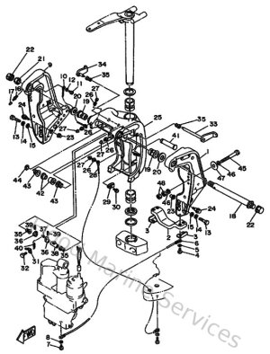
Bracket 1
-
Bracket 2
-
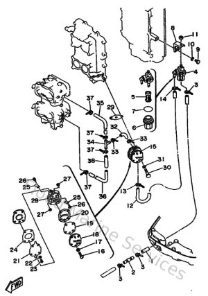
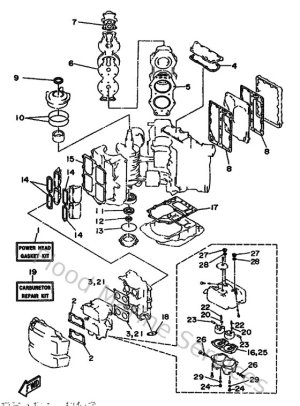
Carburetor
-
Control
-
Crankshaft & Piston
-
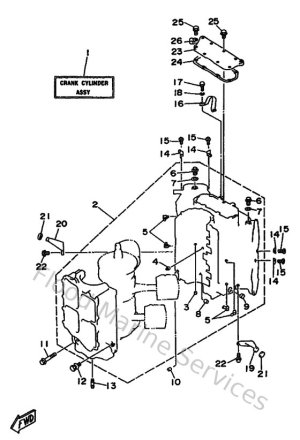
Cylinder & Crankcase 1
-
Cylinder & Crankcase 2
-
Demarreur Electrique
-
Fuel 1
-
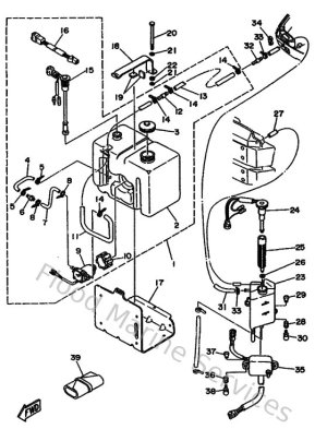
Fuel Tank
-
Generatrice
-
Intake
-
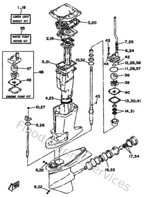
Kits De Reparation 1
-
Kits De Reparation 2
-
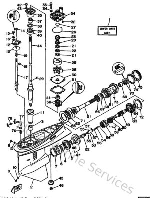
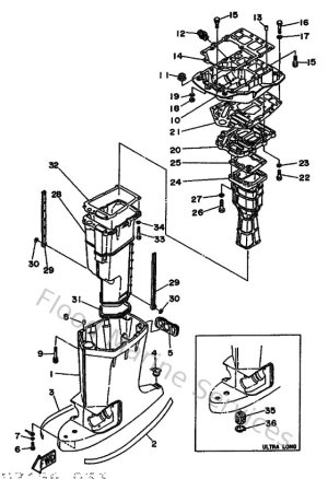
Lower Casing & Drive
-
Oil Pump
-
Optionnelles 1
-
Optionnelles 2
-
Partie Electrique 1
-
Partie Electrique 2
-
Power Trim & Tilt Assy
-
Top Cowling
-
Upper Casing