Yamaha Outboard Parts - Bracket 4 - 40VMO (1995) | Flood Marine
New Search
Parts
New Outboards
Home
40VMO (1995)
Bracket 4
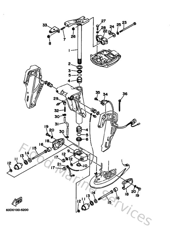
Diagram: Bracket 4
Parts List
Reference
Description
Price
1
63D42510104D
Steering bracket assembly
Loading…
↗
2
9020130M0000
Washer, plate(6h1)
Loading…
↗
3
9038630M7800
Bush(6h0)
Loading…
↗
4
9038630M7700
Bush(6h0)
Loading…
↗
5
9321029M9400
O-ring(6h1)
Loading…
↗
6
9038630M6000
Bush(6j8)
Loading…
↗
7
901161017500
Bolt, stud
Loading…
↗
8
901851005100
Nut, self-locking
Loading…
↗
9
63D44551018D
Housing, lower mount rubber 1
Loading…
↗
10
9341028M0600
Circlip (688)
Loading…
↗
11
63D445550094
Mount damper, lower side
Loading…
↗
12
9020112M1600
Washer, plate (679)
Loading…
↗
13
9020225M0400
Washer, plate (663)
Loading…
↗
14
9020113M1900
Washer, plate (663)
Loading…
↗
15
9010912M2100
Bolt (6h3)
Loading…
↗
16
663445750000
Damper, lower mount rubber
Loading…
↗
17
953801280000
Nut crown(663)
Loading…
↗
18
63D44552004D
Housing, Lower Mount Rubber 2
Loading…
↗
19
970800803000
Bolt, hexagon (fj1)
Loading…
↗
20
929950810000
Ybs67-8 washer, spring
Loading…
↗
21
63D821271000
Wire, lead 2
Loading…
↗
22
63D445140094
Mount damper, upper side
Loading…
↗
23
901090822900
Bolt
Loading…
↗
24
63D445260000
Plate
Loading…
↗
25
902010942500
Washer, plate (663)
Loading…
↗
26
901850804500
Nut, self-locking
Loading…
↗
29
904650802800
Clamp (1e6)
Loading…
↗
30
9046511M0000
Clamp
Loading…
↗
31
9044507MF100
Hose (l570)
Loading…
↗
32
6E5835580000
End, nipple
Loading…
↗
33
63D485110094
Hook, steering
Loading…
↗
34
63D836720000
Trim Sender
Loading…
↗
35
985800601600
Screw pan head
Loading…
↗
36
9046513M1100
Clamp (6e5)
Loading…
↗