Yamaha Outboard Parts - Bracket 5 - F40AET (1999) | Flood Marine
New Search
Parts
New Outboards
Home
F40AET (1999)
Bracket 5
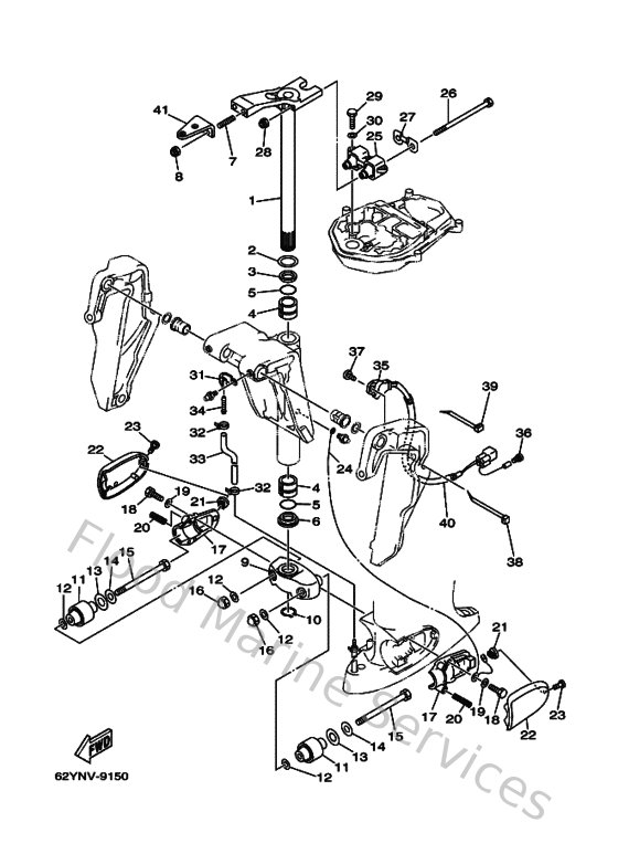
Diagram: Bracket 5
Parts List
Reference
Description
Price
1
63D42510104D
Steering bracket assembly
Loading…
↗
2
9020130M0000
Washer, plate(6h1)
Loading…
↗
3
9038630M7800
Bush(6h0)
Loading…
↗
4
9038630M7700
Bush(6h0)
Loading…
↗
5
9321029M9400
O-ring(6h1)
Loading…
↗
6
9038630M6000
Bush(6j8)
Loading…
↗
7
901161006300
Bolt, stud
Loading…
↗
8
901851005100
Nut, self-locking
Loading…
↗
9
66344551024D
Housing, lower mount rubber
Loading…
↗
10
9341028M0600
Circlip (688)
Loading…
↗
11
62Y445550000
Mount damper, lower side
Loading…
↗
12
9020112M1600
Washer, plate (679)
Loading…
↗
13
902022110000
Washer plate (663)
Loading…
↗
14
9020113M1900
Washer, plate (663)
Loading…
↗
15
901091226100
Bolt(663)
Loading…
↗
16
953801280000
Nut crown(663)
Loading…
↗
17
663445520194
Housing, lower mount rubber
Loading…
↗
18
970750802500
Bolt, hexagon deep recess
Loading…
↗
19
929950810000
Ybs67-8 washer, spring
Loading…
↗
20
9050114M0800
Spring, compression(64j)
Loading…
↗
21
901790606600
Nut(663)
Loading…
↗
22
62Y44553014D
Cover, lower mount
Loading…
↗
23
901570600900
Screw, pan head(6b0)
Loading…
↗
24
697821270100
Wire, lead 2
Loading…
↗
25
62Y44514014D
Mount damper, upper side
Loading…
↗
26
9010108M1500
Bolt
Loading…
↗
27
63D445260000
Plate
Loading…
↗
28
901850801800
Nut, self-locking
Loading…
↗
29
970750803000
Bolt, hexagon (fj1)
Loading…
↗
31
9046508M0700
Clamp (1e6)
Loading…
↗
32
904651009800
Clamp
Loading…
↗
33
9044507MF100
Hose (l570)
Loading…
↗
34
6E5835580000
End, nipple
Loading…
↗
35
63D836720000
Trim Sender
Loading…
↗
36
703821190000
Cover, lead wire
Loading…
↗
37
978850601600
Screw, pan head(6b0)
Loading…
↗
38
9046513M3000
Clamp
Loading…
↗
39
9046511M1000
Clamp
Loading…
↗
40
9044617M9100
Hose
Loading…
↗
41
63D48511004D
Hook, steering
Loading…
↗