Yamaha Outboard Parts - Carburetor - E25AMH (1998) | Flood Marine
New Search
Parts
New Outboards
Home
E25AMH (1998)
Carburetor
Diagram: Carburetor
Parts List
Reference
Description
Price
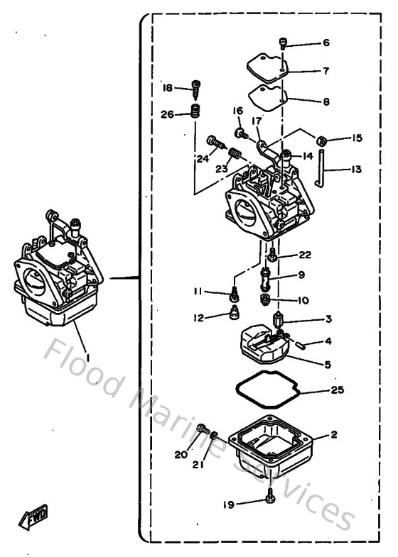
1
61N143010200
Carburetor assembly 1
Loading…
↗
2
61N143810000
Body, float chamber
Loading…
↗
3
61N143920000
Valve, needle
Loading…
↗
4
6E5143860100
Pin, float
Loading…
↗
5
6L2143850000
Float
Loading…
↗
6
979800411000
Screw, pan head (e56)
Loading…
↗
7
6L2141570000
Cover, mixing
Loading…
↗
8
6L2143990000
Gasket
Loading…
↗
9
61N143410000
Nozzle, main
Loading…
↗
10
61N143436500
Jet, main (#130)
Loading…
↗
11
6L2143423200
Jet, Pilot (#64)
Loading…
↗
12
50M143550000
Plug
Loading…
↗
13
6J0143791000
Rod2
Loading…
↗
14
626426580000
Bushing
Loading…
↗
15
677412260000
End, throttle lever (carb)
Loading…
↗
16
677143270100
Screw
Loading…
↗
17
61N412160000
Sheave Shaft Accel. Link
Loading…
↗
18
664143210100
Screw, throttle
Loading…
↗
19
985800401200
Screw, pan head (686)
Loading…
↗
20
677143830100
Screw, drain
Loading…
↗
21
6L2143980000
Gasket
Loading…
↗
22
989800400600
Screw, bind(6l2)
Loading…
↗
23
646142120100
Spring, pilot adjusting
Loading…
↗
24
61N143230000
Screw, air adjusting
Loading…
↗
25
6L2143840000
Gasket, float chamber
Loading…
↗
26
61N142120000
Spring, pilot adjusting
Loading…
↗