Yamaha Outboard Parts - Carburetor - F8BMH (1986) | Flood Marine
New Search
Parts
New Outboards
Home
F8BMH (1986)
Carburetor
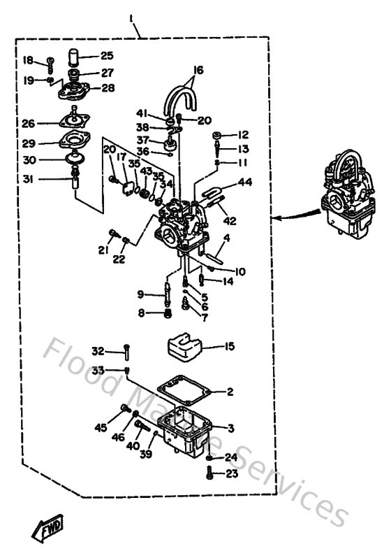
Diagram: Carburetor
Parts List
Reference
Description
Price
1
6G9143010000
Carburetor assembly 1
Loading…
↗
2
6G8143840000
Gasket, float chamber
Loading…
↗
4
647143860000
Pin, float
Loading…
↗
5
6G8143422100
Jet, Pilot
Loading…
↗
6
654141980000
Gasket
Loading…
↗
7
6G8143450000
Plug
Loading…
↗
8
648143434700
Jet, Main (#94)
Loading…
↗
9
6G8143410000
Nozzle, Main
Loading…
↗
10
654142160000
Screw
Loading…
↗
11
647143340000
Spring, air adjusting.
Loading…
↗
12
6G8149970000
Seal
Loading…
↗
13
6G8143230000
Screw, air adjusting
Loading…
↗
14
6G8143920000
Valve, needle
Loading…
↗
15
6G8143850000
Float assembly
Loading…
↗
17
6G8143460000
Plate
Loading…
↗
18
985800602000
Screw pan head
Loading…
↗
19
929030610000
Washer(6a1)
Loading…
↗
20
978030400700
Screw, pan head (713)
Loading…
↗
21
985800401400
Screw, pan head(ga5)
Loading…
↗
22
646142120100
Spring, pilot adjusting
Loading…
↗
24
929030410000
Ybs67-4 washer, spring
Loading…
↗
26
6G8143680000
Diaphragm
Loading…
↗
27
6G8143730000
Cover, Plunger Cap
Loading…
↗
30
33A143690000
Diaphragm Assembly
Loading…
↗
31
6G8143710000
Plunger, Starter
Loading…
↗
32
6G8143182700
Pipe, Starter
Loading…
↗
33
6A4143443100
Jet, Starter
Loading…
↗
34
6G8142720000
Valve, Check Seat
Loading…
↗
35
1J2143970000
O-Ring
Loading…
↗
36
5H0143970000
O-ring
Loading…
↗
38
6G8143770000
Stopper
Loading…
↗
39
5Y1143970000
O-ring
Loading…
↗
40
6G8143830000
Screw Drain
Loading…
↗
41
44J143490000
Pipe
Loading…
↗
42
9011606M2600
Bolt, Stud
Loading…
↗
43
6G8142710000
Insulator
Loading…
↗
44
14T143960000
Pipe
Loading…
↗
46
650142270100
Gasket
Loading…
↗