Yamaha Outboard Parts - Control - 20DEM (1993) | Flood Marine
New Search
Parts
New Outboards
Home
20DEM (1993)
Control
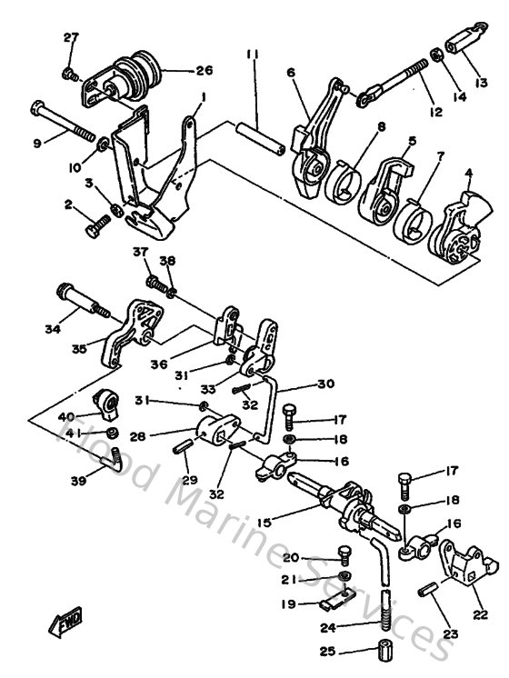
Diagram: Control
Parts List
Reference
Description
Price
1
6L2144970000
Stay, throttle wire
Loading…
↗
2
973950602000
Bolt(7u8)
Loading…
↗
3
953800670000
Nut
Loading…
↗
5
6L2412830000
Lever, free accel.
Loading…
↗
6
6L2416310000
Lever, magneto control
Loading…
↗
7
6J8421670000
Spring 1
Loading…
↗
9
973950607500
Bolt, hexagon w/w deep recess
Loading…
↗
10
929900660000
Washer, plain (646)
Loading…
↗
11
9038706M1800
Collar(6L2)
Loading…
↗
12
689421690100
Joint
Loading…
↗
13
6H1412370000
Joint, link
Loading…
↗
14
953800560000
Nut, hexagon (663)
Loading…
↗
15
6L2441210000
Lever, shift rod
Loading…
↗
19
6J8441160000
Spring
Loading…
↗
20
973950601200
Bolt(gh1)
Loading…
↗
22
6L2441230000
Arm, shift rod
Loading…
↗
23
9025403M0400
Pin, spring (6h3)
Loading…
↗
24
6L2441430000
Rod, shift
Loading…
↗
25
901700601500
Connector, shift rod
Loading…
↗
26
6L2143680000
Diaphragm assembly 1
Loading…
↗
27
970800600800
Bolt (fj1)
Loading…
↗
28
6L2441220000
Bushing, shift rod lever
Loading…
↗
29
916903031800
Pin, spring (6h3)
Loading…
↗
30
6L2421920000
Rod 2
Loading…
↗
31
902020508800
Washer, plate (666)
Loading…
↗
32
914902001000
Pin, cotter
Loading…
↗
33
6L2441410100
Link, shift rod
Loading…
↗
34
9010906M2800
Bolt(6j8)
Loading…
↗
35
6L2412120000
Arm, accel.
Loading…
↗
36
6L2441411094
Link, shift rod
Loading…
↗
38
929900560000
Washer, plain (646)
Loading…
↗
39
6L2412370000
Joint, link
Loading…
↗
40
6L2412380000
Joint, link
Loading…
↗
41
953800570000
Nut (656)
Loading…
↗