Yamaha Outboard Parts - Cowling & Fuel - 2BMH (1988) | Flood Marine
New Search
Parts
New Outboards
Home
2BMH (1988)
Cowling & Fuel
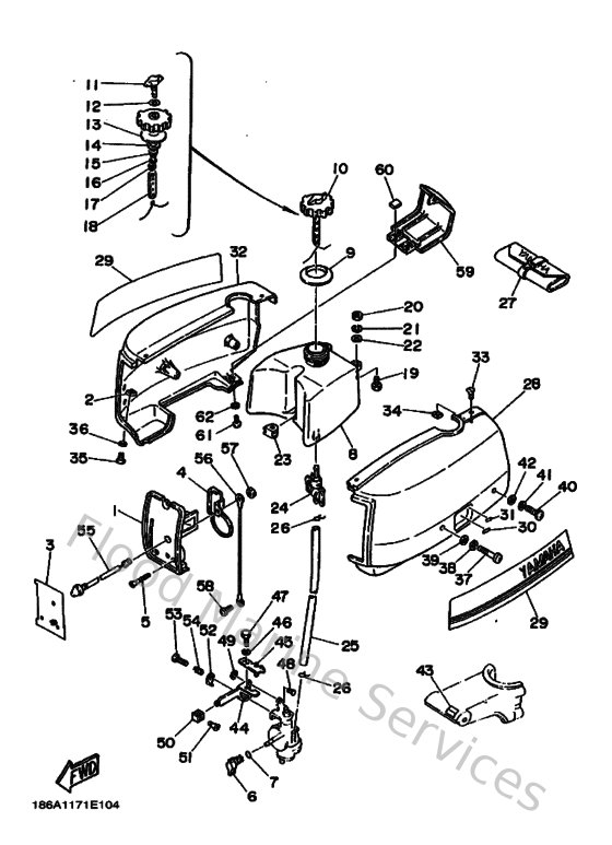
Diagram: Cowling & Fuel
Parts List
Reference
Description
Price
1
6A1144410200
Silencer, intake 2
Loading…
↗
2
9017305M0000
Nut, square (6a1)
Loading…
↗
3
6A1426770100
Graphic Front
Loading…
↗
4
6A1144420000
Spacer 1
Loading…
↗
6
6A1412710000
Knob, choke
Loading…
↗
7
9321008M2900
O-ring (6a1)
Loading…
↗
8
6A1241100100
Fuel tank assembly
Loading…
↗
9
6A1241980000
Seat, rubber
Loading…
↗
10
6A1246100200
Cap assembly
Loading…
↗
11
6A1246310000
Screw, air
Loading…
↗
12
904300400500
Gasket 6112463200
Loading…
↗
13
904301411700
Gasket
Loading…
↗
14
646246150100
Gasket, Plate 1
Loading…
↗
15
905011037400
Spring, Compression
Loading…
↗
16
929900420000
Ybs66-4 washer, plain
Loading…
↗
17
905011026000
Spring, safety 6152463500
Loading…
↗
18
646242410000
Indicator
Loading…
↗
19
973130601800
Bolt, hexagon
Loading…
↗
20
953030660000
Nut(661)
Loading…
↗
21
929900610000
Washer(6a1)
Loading…
↗
22
9020106M3000
Washer, plate (6a1)
Loading…
↗
23
6A1241810000
Damper, locating
Loading…
↗
24
6A1245000200
Fuel cock assembly 1
Loading…
↗
25
6A1243110000
Pipe 1
Loading…
↗
26
904670800400
Clip, pipe 6162435600
Loading…
↗
27
656W28100100
Tool kit
Loading…
↗
30
6A1241535000
Indicator, Cock
Loading…
↗
31
6A1241545000
Indicator, Shift
Loading…
↗
33
987800501200
Screw(617)
Loading…
↗
34
9018305M0000
Nut, spring (6a1)
Loading…
↗
35
985800501200
Screw,pan head (646)
Loading…
↗
36
929900560000
Washer, plain (646)
Loading…
↗
37
925800604000
Screw pan head
Loading…
↗
39
929900660000
Washer, plain (646)
Loading…
↗
40
925800602500
Screw, pan head(6b0)
Loading…
↗
41
929950610000
Washer(6a1)
Loading…
↗
43
6A1427920100
Mark (100:1)
Loading…
↗
44
6A1412120100
Arm, accel.
Loading…
↗
45
6A1412110000
Link,accel
Loading…
↗
46
929900510000
Ybs67-5 washer, spring
Loading…
↗
47
973130501000
Bolt, hexagon
Loading…
↗
48
6A1143650000
Pin, clevis
Loading…
↗
49
990010460000
Circlip (eu0)
Loading…
↗
50
6A1416370000
Knob, magneto control
Loading…
↗
52
6A1412230000
Washer, lock 1
Loading…
↗
53
985030502500
Screw, panhead (a93)
Loading…
↗
54
9050112M1600
Spring (6a1)
Loading…
↗
55
6A1825500200
Stop switch assembly
Loading…
↗
56
6A1825410000
Wire, Lead
Loading…
↗
57
953800870000
Nut(661)
Loading…
↗
58
985800501000
Screw, pan head(62x)
Loading…
↗
59
6A1823751000
Cover, Plug Cap
Loading…
↗