Yamaha Outboard Parts - Cylinder & Crankcase - 25QEO (1990) | Flood Marine
New Search
Parts
New Outboards
Home
25QEO (1990)
Cylinder & Crankcase
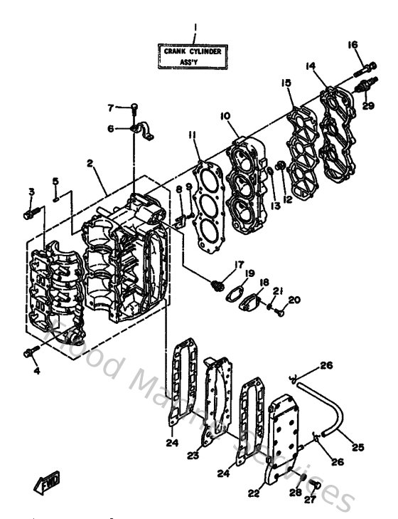
Diagram: Cylinder & Crankcase
Parts List
Reference
Description
Price
1
6H4W009014EJ
Crank Cylinder assembly
Loading…
↗
2
6H4151001194
Crankcase assembly
Loading…
↗
3
901190801900
Bolt, with washer
Loading…
↗
4
9011906M1300
Bolt, with washer (682)
Loading…
↗
5
936061201900
Pin, dowel (614)
Loading…
↗
6
6H4111190000
Hanger, engine
Loading…
↗
7
970950601400
Bolt(gj3)
Loading…
↗
8
688113250000
Anode
Loading…
↗
9
986800401600
Screw, flat head(ga5)
Loading…
↗
10
6H4111110094
Head, Cylinder 1
Loading…
↗
11
6H411181A200
Gasket, cylinder head 1
Loading…
↗
12
9034014M0000
Plug, straight screw(62y)
Loading…
↗
14
6H411191009M
Cover, Cylinder Head 1
Loading…
↗
15
6H411193A100
Gasket, head cover 1
Loading…
↗
16
9011908M2900
Bolt, with washer
Loading…
↗
17
6E5124111000
Thermostat
Loading…
↗
18
6H412413001S
Cover, thermostat
Loading…
↗
19
6H4124140000
Gasket, cover
Loading…
↗
20
973130602500
Bolt
Loading…
↗
21
929900660000
Washer, plain (646)
Loading…
↗
23
6H441111001S
Inner cover, exhaust
Loading…
↗
24
6H4411140000
Gasket, exhaust outer cover
Loading…
↗
25
9044509M3700
Hose (l1500)
Loading…
↗
26
904670800400
Clip, pipe 6162435600
Loading…
↗
27
970130603500
Bolt(3rv)
Loading…
↗
29
947020024700
Plug, spark (br8hs-10)
Loading…
↗