Yamaha Outboard Parts - Cylinder & Crankcase - 30DMH (1986) | Flood Marine
New Search
Parts
New Outboards
Home
30DMH (1986)
Cylinder & Crankcase
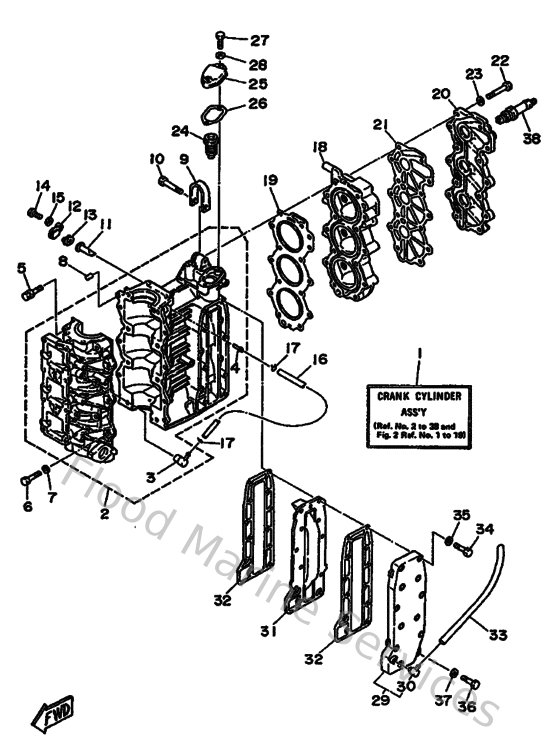
Diagram: Cylinder & Crankcase
Parts List
Reference
Description
Price
1
6J8W009050EJ
Crank Cylinder assembly
Loading…
↗
2
6J8151000094
Crankcase assembly
Loading…
↗
3
650113700000
Check valve assembly
Loading…
↗
4
624144850000
Pipe, joint
Loading…
↗
5
901190801900
Bolt, with washer
Loading…
↗
6
973130603000
Bolt
Loading…
↗
7
929900660000
Washer, plain (646)
Loading…
↗
8
936061201900
Pin, dowel (614)
Loading…
↗
9
6F5111190000
Hanger, engine
Loading…
↗
10
970130803500
Bolt
Loading…
↗
11
6J8113250000
Anode
Loading…
↗
12
6H3113270094
Cover, anode
Loading…
↗
13
6H3113280000
Grommet, anode
Loading…
↗
14
973130601600
Bolt, hexagon deep recess
Loading…
↗
16
9044507MA300
Hose (l200)
Loading…
↗
17
904670601600
Clip (655)
Loading…
↗
18
6J8111110094
Head, cylinder 1
Loading…
↗
19
6J8111810000
Gasket, cylinder head 1
Loading…
↗
20
6J811191001S
Cover, cylinder head 1
Loading…
↗
21
6J8111930000
Gasket, head cover 1
Loading…
↗
22
973130806000
Bolt (663)
Loading…
↗
23
929900860000
Washer, plain (663)
Loading…
↗
24
6E5124110000
Thermostat
Loading…
↗
25
6H412413001S
Cover, thermostat
Loading…
↗
26
6H4124140000
Gasket, cover
Loading…
↗
27
973130602500
Bolt
Loading…
↗
29
6J841113001S
Outer cover, exhaust
Loading…
↗
30
676113720000
Nipple, hose
Loading…
↗
31
6J841111009M
Inner cover, exhaust
Loading…
↗
32
6J8411140000
Gasket, exhaust outer cover
Loading…
↗
33
6J81111J0000
Pipe 1
Loading…
↗
34
970800603500
Bolt(j52)
Loading…
↗
36
973950602500
Bolt
Loading…
↗
38
947020027100
Plug, spark (br7hs-10)
Loading…
↗