Yamaha Outboard Parts - Cylinder & Crankcase - 4ACMH (1996) | Flood Marine

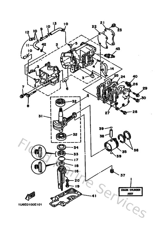
Diagram: Cylinder & Crankcase

Diagram

Parts List

Reference
Description
Price