Yamaha Outboard Parts - Cylinder & Crankcase - 55BM (1997) | Flood Marine
New Search
Parts
New Outboards
Home
55BM (1997)
Cylinder & Crankcase
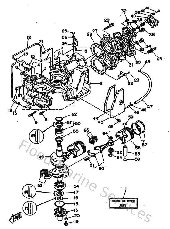
Diagram: Cylinder & Crankcase
Parts List
Reference
Description
Price
1
697W0090054D
Crank cylinder assembly
Loading…
↗
2
697151000294
Crankcase assembly
Loading…
↗
3
650113700100
Check valve assembly
Loading…
↗
4
624144850000
Pipe, joint
Loading…
↗
5
936040806200
Pin,dowel (626)
Loading…
↗
6
663115180100
Lock, bearing
Loading…
↗
7
936081206300
Pin, dowel (626)
Loading…
↗
8
9011906M1200
Bolt, with washer (697)
Loading…
↗
9
9011910M0700
Bolt (6f5)
Loading…
↗
10
90201100F700
Washer (7a9)
Loading…
↗
11
953141060000
Nut(3bm)
Loading…
↗
12
904450724000
Hose (l390)
Loading…
↗
13
904670601600
Clip (655)
Loading…
↗
14
904610401100
Clamp 6208236100
Loading…
↗
15
663153590194
Housing, oil seal
Loading…
↗
16
931041804900
Oil seal (18x30x5-663)
Loading…
↗
17
931022813500
Oil seal (28x47x7-663)
Loading…
↗
18
932106226900
Ring, o(663)
Loading…
↗
19
970950601600
Bolt, hexagon deep recess
Loading…
↗
20
929900660000
Washer, plain (646)
Loading…
↗
21
901161017700
Bolt, stud(663)
Loading…
↗
22
663113250000
Anode
Loading…
↗
23
987800401500
Screw, flat head(ga5)
Loading…
↗
24
697111190000
Hanger, engine
Loading…
↗
25
970130802500
Bolt (682)
Loading…
↗
26
929900810000
Ybs67-8 washer, spring
Loading…
↗
27
663111110294
Head, cylinder 1
Loading…
↗
28
69711181A200
Gasket, cylinder head 1
Loading…
↗
29
9011908M2100
Bolt, with washer(63v)
Loading…
↗
30
66311191009M
Cover, cylinder head 1
Loading…
↗
31
66311193A000
Gasket, head cover
Loading…
↗
32
975950652000
Bolt(7u8)
Loading…
↗
33
904301411500
Gasket (663)
Loading…
↗
34
903401403600
Plug, (663)
Loading…
↗
35
663124160000
Valve, pressure control
Loading…
↗
36
905011423400
Spring, compression(663)
Loading…
↗
37
904801806500
Grommet(663)
Loading…
↗
38
6F5124110200
Thermostat
Loading…
↗
39
66312413001S
Cover, thermostat
Loading…
↗
40
66312414A000
Gasket, thermostat
Loading…
↗
41
970950603000
Bolt(jf7)
Loading…
↗
43
66341113001S
Outer cover, exhaust
Loading…
↗
44
66341114A000
Gasket, exhaust outer cover
Loading…
↗
46
652244610000
Pipe, joint
Loading…
↗
47
6H4243110000
Pipe 1
Loading…
↗
48
904670800400
Clip, pipe 6162435600
Loading…
↗
49
663114110100
Shaft, crank
Loading…
↗
50
93311632U100
Brg,needle
Loading…
↗
51
9310232M0700
Oil seal (697)
Loading…
↗
52
932104215900
O-ring (647)
Loading…
↗
53
93311832U400
Bearing, needle (6f0)
Loading…
↗
54
93306206U400
Brg,r-b 6206 66mm 236g (696)
Loading…
↗
55
663115610000
Shim, crank
Loading…
↗
56
688116310394
Piston (std)
Loading…
↗
57
68811605A000
Piston ring set (0.50mm o/s)
Loading…
↗
58
663116330000
Pin, piston
Loading…
↗
59
688116340000
Clip, piston pin
Loading…
↗
60
688116500300
Connecting rod assembly
Loading…
↗
61
901090802200
Bolt
Loading…
↗
62
936032111100
Pin, dowel(663)
Loading…
↗
63
93310730V800
Bearing (688)
Loading…
↗
64
902012041700
Washer, plate(663)
Loading…
↗
65
947020024700
Plug, spark (br8hs-10)
Loading…
↗