Yamaha Outboard Parts - Cylinder & Crankcase - 60FETO (1986) | Flood Marine
New Search
Parts
New Outboards
Home
60FETO (1986)
Cylinder & Crankcase
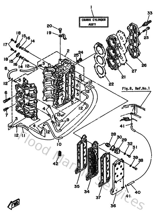
Diagram: Cylinder & Crankcase
Parts List
Reference
Description
Price
1
6H3W009050EJ
Crank cylinder assembly (n.o/i, a/
Loading…
↗
3
688113700000
Check valve assembly
Loading…
↗
4
650113700000
Check valve assembly
Loading…
↗
5
624144850000
Pipe, joint
Loading…
↗
6
9011910M0700
Bolt (6f5)
Loading…
↗
8
9044507M4400
Hose (l390)
Loading…
↗
9
9044507M0200
Hose (l200)
Loading…
↗
10
9044507M4500
Hose (l390)
Loading…
↗
11
9044507M8200
Hose (l770)
Loading…
↗
12
904670601600
Clip (655)
Loading…
↗
13
936081206300
Pin, dowel (626)
Loading…
↗
14
6H3113250000
Anode
Loading…
↗
15
6H3113270094
Cover, anode
Loading…
↗
16
6H3113280000
Grommet, anode
Loading…
↗
17
973130601600
Bolt, hexagon deep recess
Loading…
↗
18
929070660000
Washer(6ta)
Loading…
↗
19
688111190000
Hanger, engine
Loading…
↗
20
973130802000
Bolt(6td)
Loading…
↗
21
6H3111110094
Head, cylinder 1
Loading…
↗
22
6H311181A200
Gasket, cylinder head 1
Loading…
↗
23
9011908M0900
Bolt (6f5)
Loading…
↗
24
9034014M0000
Plug, straight screw(62y)
Loading…
↗
25
904301411500
Gasket (663)
Loading…
↗
26
6H311191001S
Cover, cylinder head 1
Loading…
↗
27
6H3111930000
Gasket, head cover 1
Loading…
↗
28
6H3124111100
Thermostat
Loading…
↗
29
6H3124130094
Cover, thermostat
Loading…
↗
30
6H3124140000
Gasket, cover
Loading…
↗
31
973130602500
Bolt
Loading…
↗
32
929900660000
Washer, plain (646)
Loading…
↗
33
947020024700
Plug, spark (br8hs-10)
Loading…
↗
34
6H341111009M
Inner cover, exhaust
Loading…
↗
35
6H3411120000
Gasket, exhaust inner cover
Loading…
↗
37
6H341114A000
Gasket, exhaust outer cover
Loading…
↗
38
973130603500
Bolt(3rv)
Loading…
↗
39
929030660000
Washer, plain (646)
Loading…
↗
40
663243120100
Pipe 1
Loading…
↗
41
904670800400
Clip, pipe 6162435600
Loading…
↗
42
9046407M0500
Clamp (6g5)
Loading…
↗