Yamaha Outboard Parts - Cylinder & Crankcase - 8CEM (1994) | Flood Marine

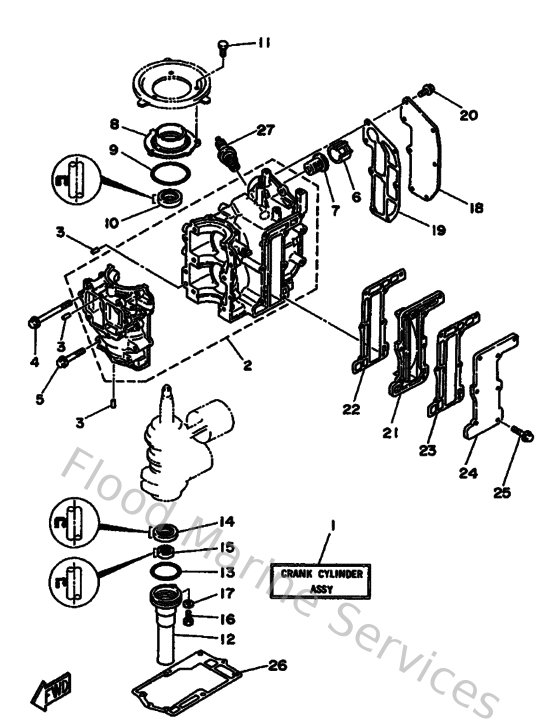
Diagram: Cylinder & Crankcase

Diagram